lemon-mirror:
Home >> Jeep >> 2014 >> Compass Limited, FWD >> Repair and Diagnosis >> Transmission >> Automatic Trans >> Engine Cooling System >> Engine >> Fan, Cooling >> Installation >> Diesel 2.2L - Installation

Diesel 2.2L - Installation

Fig 1: Lower, Fan Blade Retaining Nut & Fan Motor
GC0137791Courtesy of CHRYSLER GROUP, LLC
  1. Install the fan motor (5) onto shroud (3).
  2. Install the fan (6) onto the motor (5).
  3. Install the lower shroud seal (8).
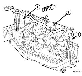
    Fig 2: Radiator Fan Assembly
    GC0083982Courtesy of CHRYSLER GROUP, LLC
  4. Install the radiator fan module (1).
  5. Connect the radiator fan wire harness connectors.
  6. Install upper radiator hose.
  7. Install the wiring harness mounting retainers into fan shroud.
    Fig 3: Upper Core Support Seal Push Pins & Radiator Core Support Bolts
    GC0137790Courtesy of CHRYSLER GROUP, LLC
  8. Install the upper radiator core support. Tighten outer bolts (1) to 23 N.m (17 ft. lbs.). Tighten the inner support bolts (1) to 8 N.m (6 ft. lbs.).
  9. Install the hood latch cable.
  10. Install the core support seal (3).
    Fig 4: Power Steering Fluid Reservoir & Mounting Bolt
    GC0137789Courtesy of CHRYSLER GROUP, LLC
  11. Install the power steering reservoir (2). Tighten bolt (1) to 12 N.m (9 in. lbs.).
    Fig 5: Upper Radiator Closure Panel
    GC0137788Courtesy of CHRYSLER GROUP, LLC
  12. Install radiator closure panel (2). Refer to PANEL, CLOSURE, UPPER, INSTALLATION .
  13. Top coolant off. Refer to STANDARD PROCEDURE .