lemon-mirror:
Home >> Jeep >> 2016 >> Wrangler Rubicon, Automatic Trans >> Repair and Diagnosis >> Transmission >> Automatic Trans >> Engine Cooling System >> Engine >> Radiator, Engine Cooling >> Installation >> Gas Engine

Gas Engine

CAUTION:

Before installing the radiator or A/C condenser, be sure the radiator-to-body and radiator-to-A/C condenser rubber air seals are properly fastened to their original positions. These are used at the top, bottom and sides of the radiator and A/C condenser. To prevent overheating, these seals must be installed to their original positions.

Fig 1: Transmission Cooler, Condenser & Radiator
GC0153996Courtesy of CHRYSLER GROUP, LLC
  1. Install the A/C condenser (2) onto the radiator (1). Tighten the bolts (3) to 5 N.m (44 in. lbs.).
  2. Install the transmission cooler (5). Tighten the bolts (4) to 8 N.m (71 in. lbs.).
  3. Install the radiator into the vehicle.
    Fig 2: Identifying Lower Radiator Hose
    GC0169832Courtesy of CHRYSLER GROUP, LLC
  4. Install the lower radiator hose (1).
    Fig 3: Cooling Fan, Lower Radiator Tabs & Connector
    GC0153995Courtesy of CHRYSLER GROUP, LLC
  5. Position the lower cooling fan tabs onto the mounts located on the radiator (4).
  6. Install the cooling fan shroud bolts and tighten to 5 N.m (44 in. lbs.).
  7. Connect the cooling fan wire harness connector (3).
  8. Install the upper radiator seal (2) and fasteners.
    Fig 4: Identifying Upper Radiator Hose
    GC0169902Courtesy of CHRYSLER GROUP, LLC
  9. Install the upper radiator hose (1).
  10. Install the coolant recovery bottle onto the fan shroud.
  11. Install the coolant recovery bottle hose onto fan shroud and radiator.
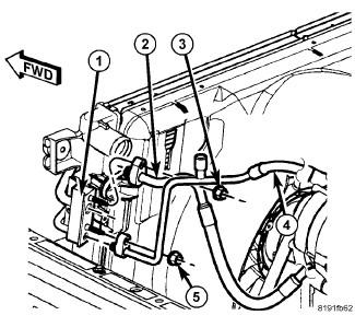
    Fig 5: Transmission Cooler Lines & Bolt
    GC0153975Courtesy of CHRYSLER GROUP, LLC
  12. On automatic transmission models, install the transmission cooler lines (3). Tighten the bolt (1) to 8 N.m (70 in. lbs.).
  13. Install the bolt securing the A/C condenser lines to radiator and tighten to 5 N.m (44 in. lbs.).
    Fig 6: Refrigerator Lines To Condenser
    GC0085607Courtesy of CHRYSLER GROUP, LLC
  14. Install the A/C lines (2, 4) to the condenser. Tighten nuts (3, 5) to 23 N.m (17 ft. lbs.).
  15. Install the right and left side air deflectors and push pin fasteners.
  16. Install the radiator crossmember. Refer to CROSSMEMBER, RADIATOR, INSTALLATION .
  17. Evacuate and charge the A/C system. Refer to PLUMBING, STANDARD PROCEDURE .
  18. Fill the cooling system with correct coolant. Refer to STANDARD PROCEDURE .
  19. Install the air cleaner body. Refer to BODY, AIR CLEANER, INSTALLATION .
  20. Connect the battery negative cable.
  21. Start engine and check for leaks.