lemon-mirror:
Home >> Kia >> 2003 >> Spectra LS, Standard >> Repair and Diagnosis >> Electrical >> Charging Systems >> General >> Generator >> Inspection >> Rectifier

Charging Systems: General: Generator: Inspection: Rectifier

  1. Check for continuity between each diode with an ohmmeter.
    Fig 1: Checking For Continuity Between Each Diode
    G01078411Courtesy of KIA MOTORS AMERICA, INC.
  2. Replace if necessary.
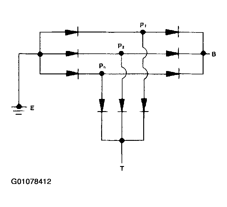
    Fig 2: Identifying Diode Circuits & Terminals (1 Of 2)
    G01078412Courtesy of KIA MOTORS AMERICA, INC.
    Fig 3: Identifying Diode Circuits & Terminals (2 Of 2)
    G01078413Courtesy of KIA MOTORS AMERICA, INC.