lemon-mirror:
Home >> Kia >> 2004 >> Amanti >> Repair and Diagnosis >> Engine Performance >> System >> Emission Control System >> Evaporative Emission Control System >> System Components

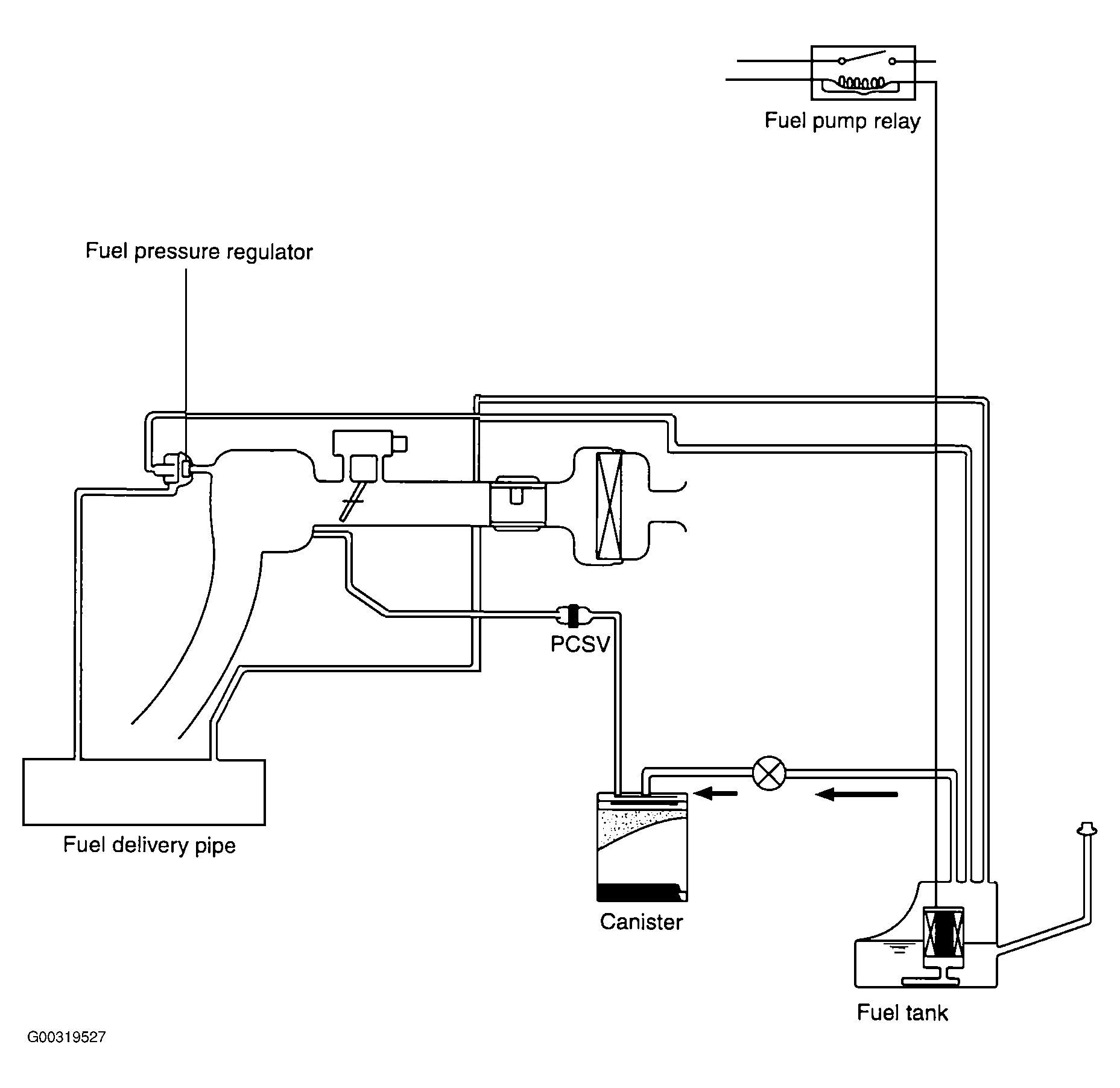
System Components

Fig 1: Identifying Evaporative Emission Control System Components (1 Of 2)
G00319527Courtesy of KIA MOTORS AMERICA, INC.
Fig 2: Identifying Evaporative Emission Control System Components (2 Of 2)
G00319531Courtesy of KIA MOTORS AMERICA, INC.