lemon-mirror:
Home >> Kia >> 2005 >> Optima EX, 2.7 8 >> Repair and Diagnosis >> Engine Performance >> Engine Control Systems >> Engine Control System/Fuel System - 2.7L >> MFI Control System >> Camshaft Position (TDC) Sensor >> Notes

Camshaft Position (TDC) Sensor: Notes

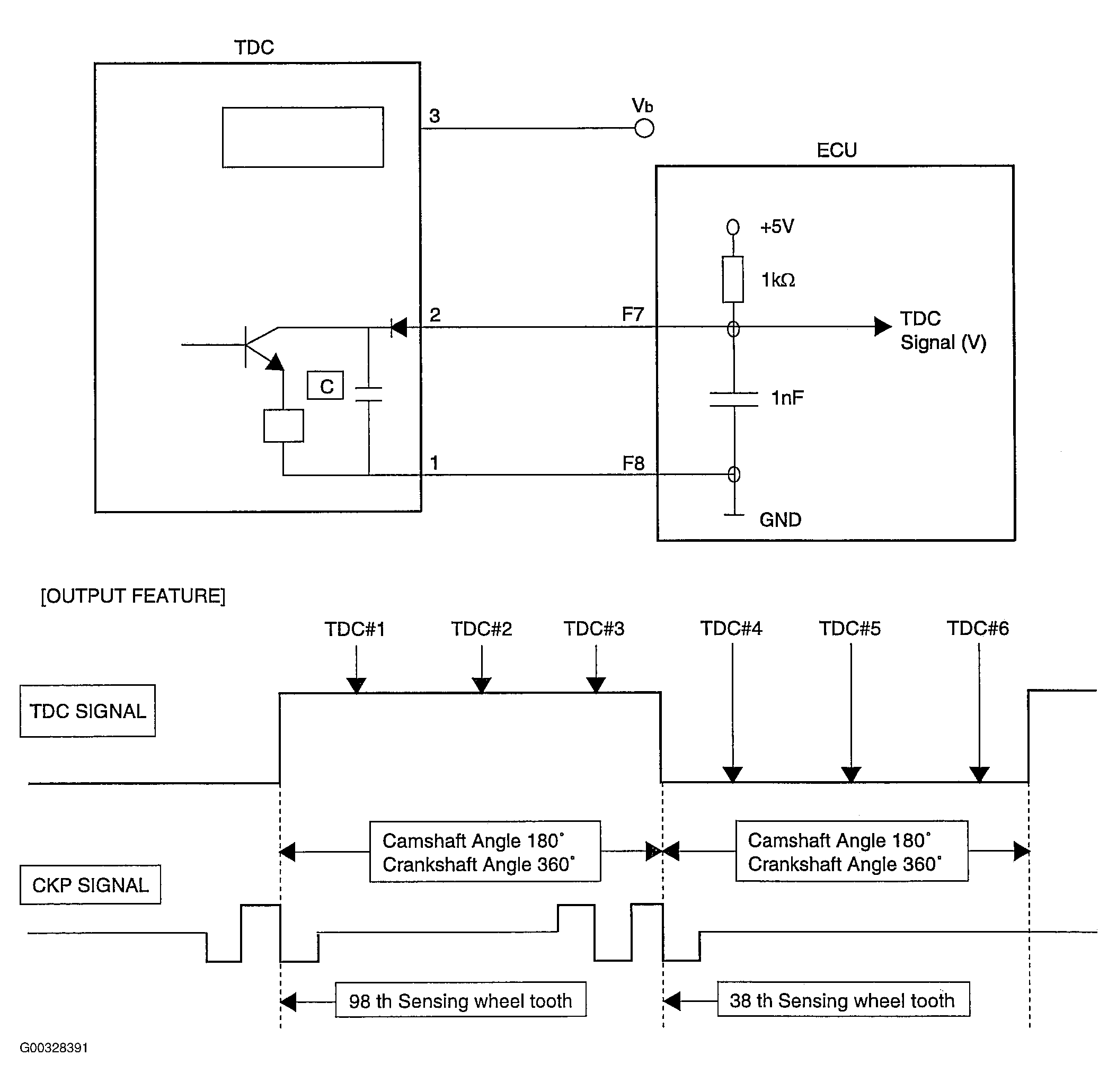
The TDC Sensor is a Hall-effect sensor that detects the camshaft position on the compression stroke of the No. 1 cylinder, converts it into a pulse signal, and inputs it to the ECU. The ECU then computes the fuel injection sequence, etc. based on the input signal.

Fig 1: Locating Camshaft Position Sensor (TDC)
G00328391Courtesy of KIA MOTORS AMERICA, INC.