lemon-mirror:
Home >> Kia >> 2005 >> Optima EX, 2.7 8 >> Repair and Diagnosis >> Engine Performance >> Engine Control Systems >> Engine Control System/Fuel System - 2.7L >> MFI Control System >> Crankshaft Position (CKP) Sensor >> Notes

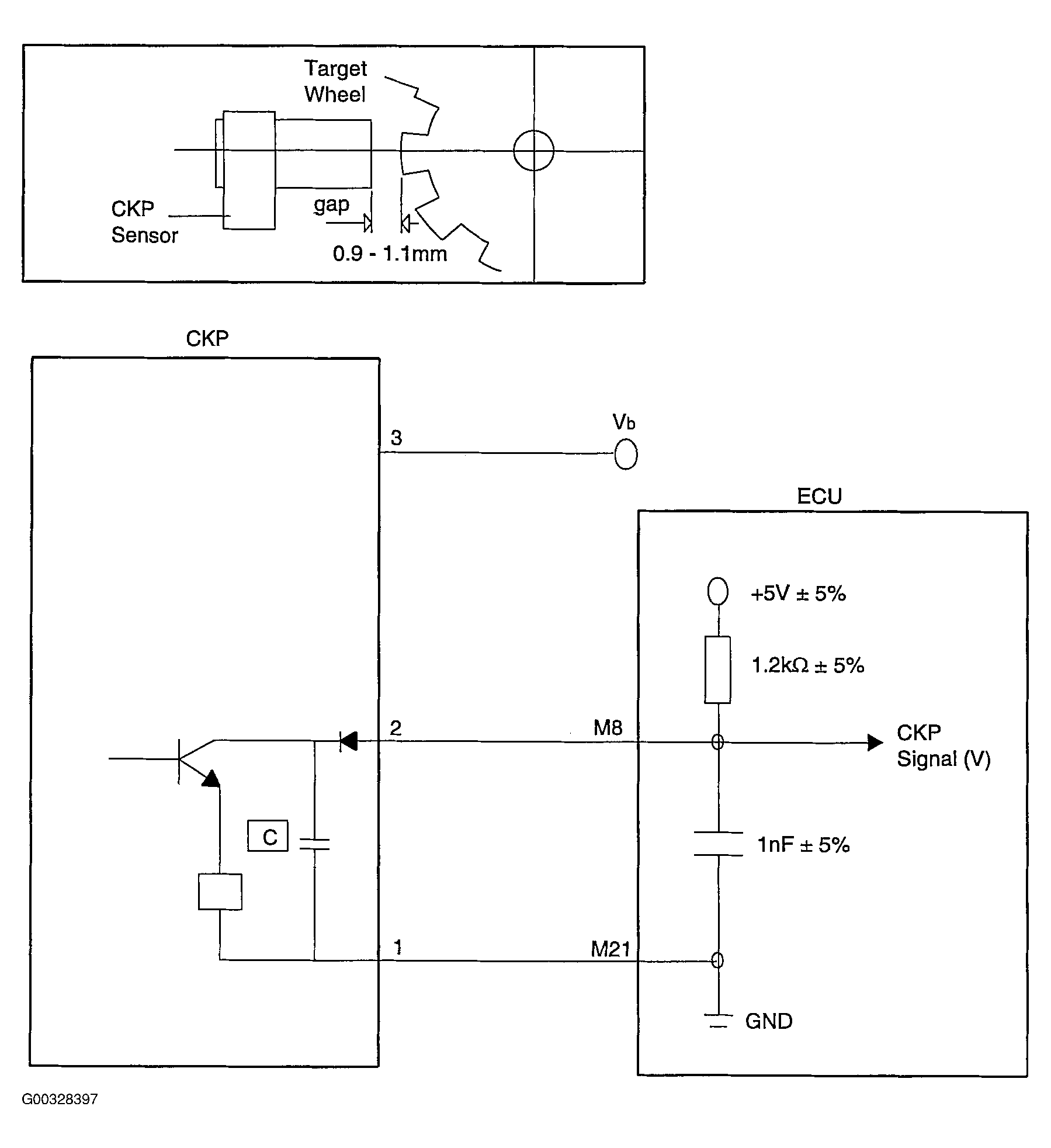
Crankshaft Position (CKP) Sensor: Notes

The Crankshaft Position Sensor is a Hall-effect sensor that senses the Crank angle (piston position) of each cylinder and converts it into a pulse signal. Based on the input signal, the ECU computes the engine speed and controls the fuel injection timing and ignition timing.

Fig 1: Crankshaft Position (CKP) Sensor
G00328397Courtesy of KIA MOTORS AMERICA, INC.