lemon-mirror:
Home >> Kia >> 2005 >> Sorento EX, RWD >> Repair and Diagnosis >> Transmission >> Automatic Trans >> Automatic Transaxle System >> Operation >> Operating Principles Of Each Range >> Notes

Operating Principles Of Each Range: Notes

  1. N range

    Since the forward and reverse brakes are released, driving force of input shaft is not transmitted to output shaft.

  2. P range
    • Since the forward and reverse brakes are released, as those in the N range, driving force of input shaft is not transmitted to output shaft.
    • Parking pawl that is linked with select lever parking gear meshes with and fastens output shaft mechanically.
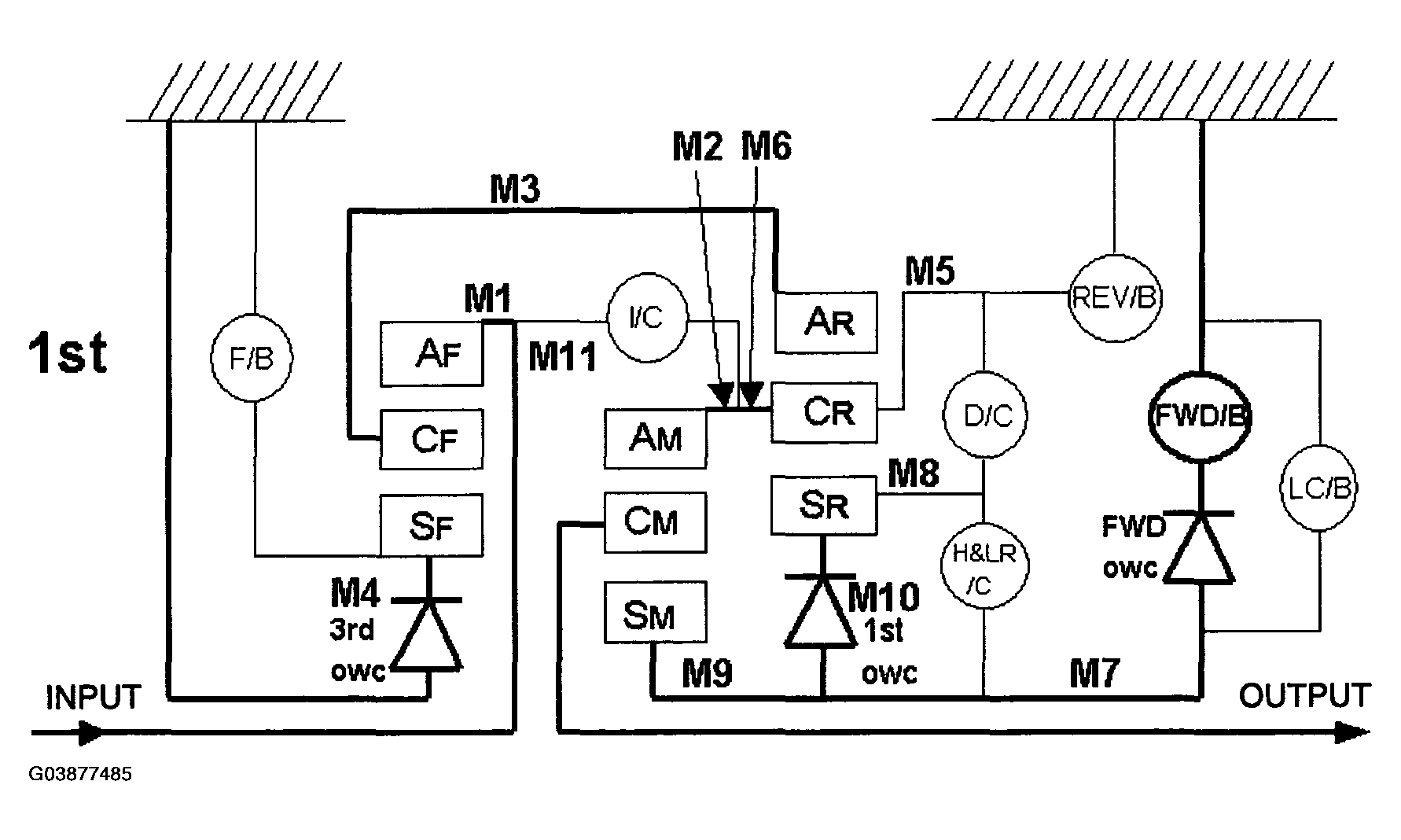
  3. D, M2, M3, M4, M5 range 1st speed
    • Fastens the front brake.
    • The front brake and the forward one-way clutch regulate reverse rotation of the mid sun gear.
    • The 1 st one-way clutch regulates reverse rotation of the rear sun gear.
    • The 3rd one-way clutch regulates reverse rotation of the front sun gear.
      Fig 1: Automatic Transmission (A5SR1)Power Flow - 1 St
      G03877485Courtesy of KIA MOTORS AMERICA, INC.
    • Since the middle sun gear rotates forward during deceleration, the forward one-way clutch runs idle and engine brake is not activated.