lemon-mirror:
Home >> Kia >> 2005 >> Spectra5 2.0 1, Automatic >> Repair and Diagnosis >> Engine Performance >> System >> Emission Control System - 2.0L >> Evaporative Emission Control System >> Components >> Notes

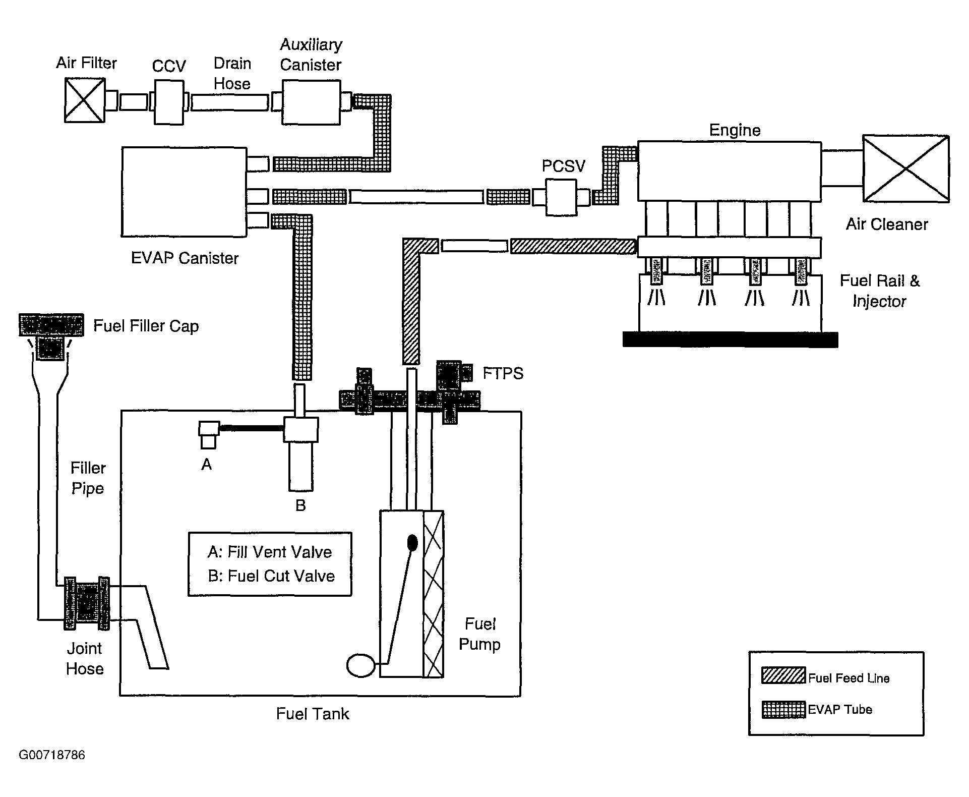
Evaporative Emission Control System: Components: Notes

Fig 1: Illustrating EVAP System Components
G00718786Courtesy of KIA MOTORS AMERICA, INC.