lemon-mirror:
Home >> Kia >> 2006 >> Sorento EX, RWD >> Repair and Diagnosis >> Engine Performance >> Fuel Delivery >> Fuel System >> MFI Control System >> Control Relay >> Circuit Diagram

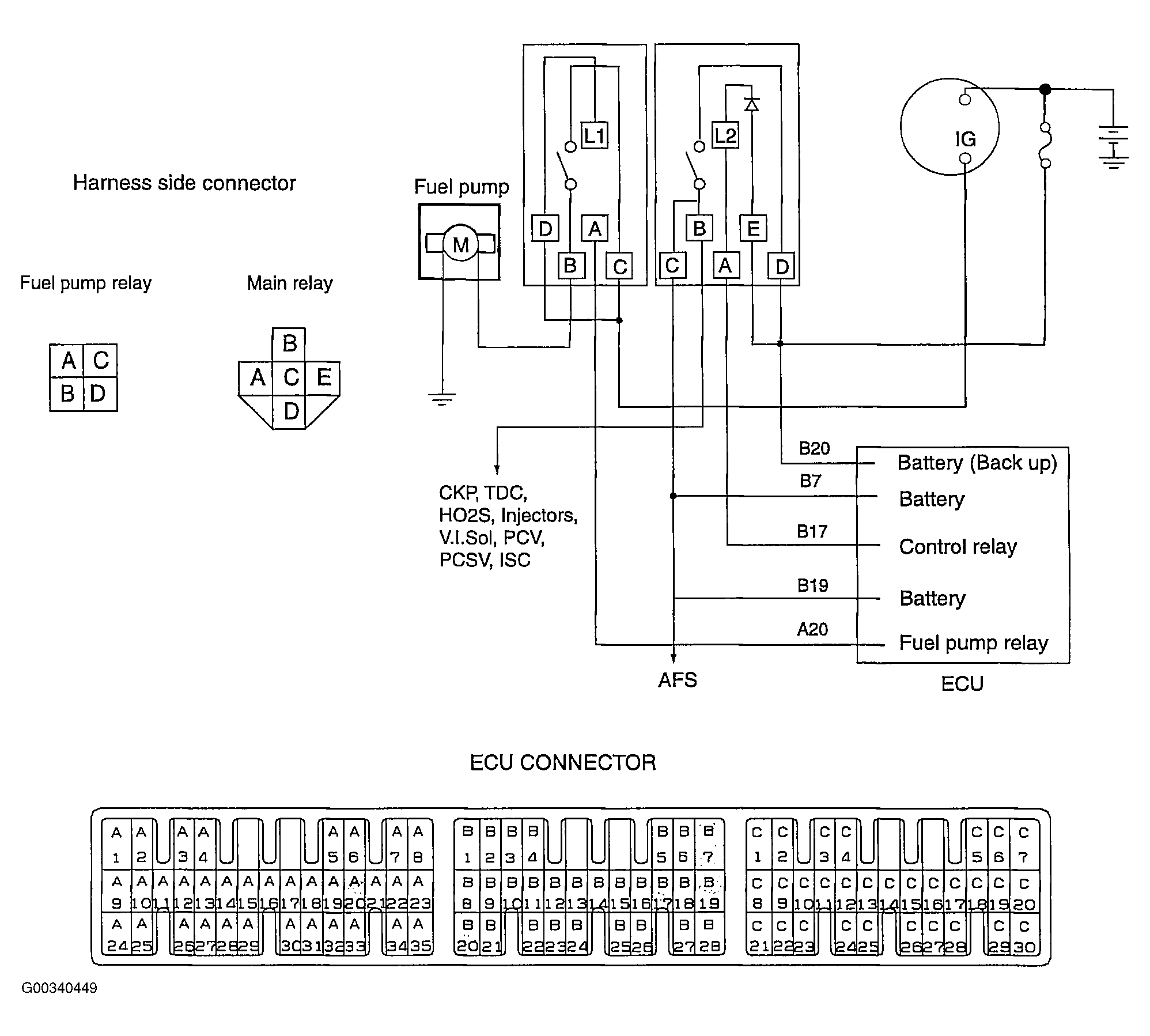
Circuit Diagram

Fig 1: Identifying MFI Control Relay Circuit Diagram
G00340449Courtesy of KIA MOTORS AMERICA, INC.