lemon-mirror:
Home >> Kia >> 2007 >> Rio Base, Automatic >> Repair and Diagnosis >> Engine Mechanical >> Lubrication System >> Engine Overhaul >> Engine Block >> Component

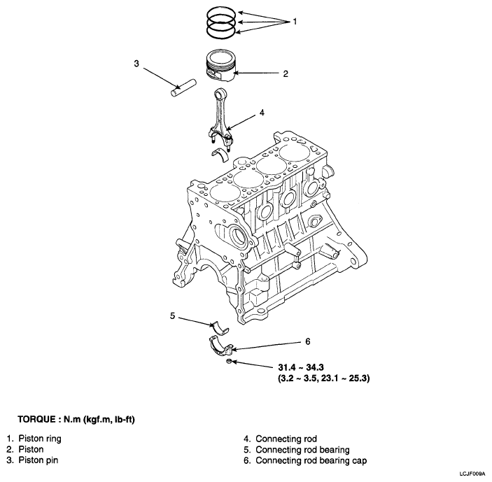
Engine Block: Component

Fig 1: Identifying Engine Block Components And Tightening Torques (1 Of 2)
G04861784Courtesy of KIA MOTORS AMERICA, INC.
Fig 2: Identifying Engine Block Components And Tightening Torques (2 Of 2)
G04861785Courtesy of KIA MOTORS AMERICA, INC.