lemon-mirror:
Home >> Kia >> 2007 >> Rondo Base >> Repair and Diagnosis >> Engine Performance >> Engine Control Systems >> Gasoline Engine Control System (G4KC - GSL 2.4L) >> Engine Control System Components >> Engine Control Module (ECM) >> Circuit Diagram

Circuit Diagram

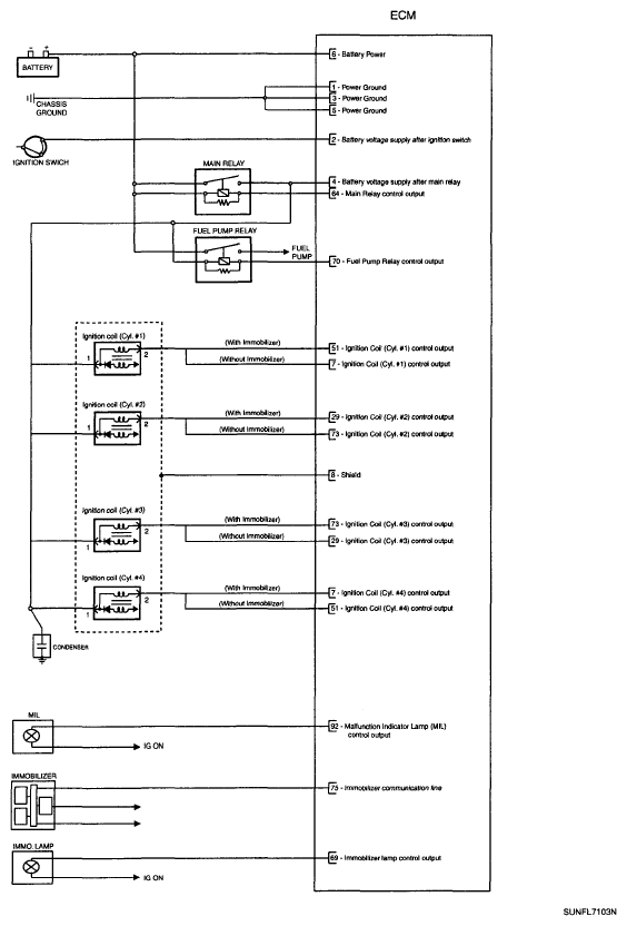
Fig 1: Gasoline Engine Control System Circuit Diagram (1 Of 4)
G05185857Courtesy of KIA MOTORS AMERICA, INC.
Fig 2: Gasoline Engine Control System Circuit Diagram (2 Of 4)
G05185858Courtesy of KIA MOTORS AMERICA, INC.
Fig 3: Gasoline Engine Control System Circuit Diagram (3 Of 4)
G05185859Courtesy of KIA MOTORS AMERICA, INC.
Fig 4: Gasoline Engine Control System Circuit Diagram (4 Of 4)
G05185860Courtesy of KIA MOTORS AMERICA, INC.