lemon-mirror:
Home >> Kia >> 2008 >> Magentis 2.7 4 >> Repair and Diagnosis >> Engine Performance >> Engine Control Systems >> Engine Control System - Fuel System (G6EA-GSL 2.7L) >> Powertrain Control Module (Pcm) >> Circuit Diagram

Circuit Diagram

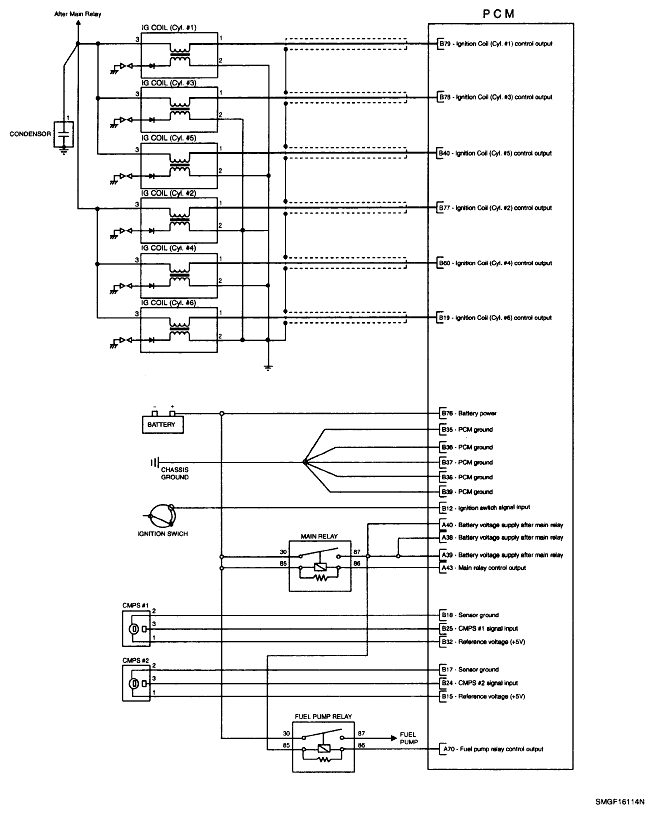
Fig 1: PCM - Circuit Diagram (1 Of 5)
G04804520Courtesy of KIA MOTORS AMERICA, INC.
Fig 2: PCM - Circuit Diagram (2 Of 5)
G04804521Courtesy of KIA MOTORS AMERICA, INC.
Fig 3: PCM - Circuit Diagram (3 Of 5)
G04804522Courtesy of KIA MOTORS AMERICA, INC.
Fig 4: PCM - Circuit Diagram (4 Of 5)
G04804523Courtesy of KIA MOTORS AMERICA, INC.
Fig 5: PCM - Circuit Diagram (5 Of 5)
G04804524Courtesy of KIA MOTORS AMERICA, INC.