lemon-mirror:
Home >> Kia >> 2011 >> Rio Base >> Repair and Diagnosis >> Accessories & Equipment >> Communication Devices >> BCM (Body Control Module) >> Body Control Module >> Repair procedures >> Inspection

Repair procedures: Inspection

Verify each components operation using related timing charts.

  1. TAIL LAMP AUTO CUT
    1. With the tail lamp switched ON, if the ignition

      Is switched OFF and the Driver door opened, the tail lamp should be automatically turned OFF.

    2. With the ignition switch ON, if the Driver door is opened and the ignition is switched to OFF, the tail lamp should be automatically turned OFF.
    3. When the tail lamp is cut automatically and the tail lamp switch is turned OFF and ON, the tail lamp illuminates and auto cut function is cancelled.
    4. When the tail lamp is cut automatically and the ignition key is inserted, the tail lamp illuminates and auto cut function is canceled.
      Fig 1: Blinking Pattern - Tail Lamp Auto Cut
      G06829647Courtesy of KIA MOTORS AMERICA, INC.
  2. CENTRAL DOOR LOCK/UNLOCK (Included 2-Turn unlock)
    1. If assist door unlock knob (below unlock knob) is turn to Unlock from Lock, then the Unlock output shall be ON to all doors for T1.
    2. If assist door unlock knob is turn to Lock from Unlock, then the Lock output shall be ON to all doors for T1.
    3. If driver/assist door KEY LOCK switch is turn to ON from OFF, then the Lock output shall be ON to all doors for T1.
    4. When the TX Lock signal is received, the door Lock output shall be ON for T1.
    5. If the driver door Key Unlock switch is turn to ON from OFF, then the driver door Lock switch shall be unlocked mechanically. (The BCM & RECEIVER shall not be output.)

      (After being unlocked mechanically, if the same condition is satisfied within T2, then the Unlock output shall be ON for T1 to all doors.)

      (After the TX Unlock signal is received, if the same condition is satisfied within T2, then the Unlock output shall be ON for T1 to all doors.)

    6. When the TX Unlock signal is received, the driver door Unlock output shall be ON for T1.

      If the TX Unlock signal is received within T2, the Unlock output shall be ON to all doors for T1. (After the driver door Key Unlock switch is turn to ON from OFF, if the same condition is satisfied within T2, then the Unlock output shall be ON to all doors.)

      1. If, within T2, other registered TX signals are received, they shall be treated as the same TX signal.
      2. The Lock (Unlock) output by the changing of the driver door unlock knob shall not be performed.
      3. In the state of being all unlock knob in Lock position, if Lock signals of Tx, driver, assist (Tail Gate) door Key switch are input, the second Lock output shall not be performed.
      4. In the state of being all unlock knob in UnLock position, if UnLock signals of Tx, driver, assist (Tail Gate) door Key switch are input, the second UnLock output shall not be performed.
        Fig 2: Blinking Pattern - Central Door Lock/Unlock (Included 2-Turn Unlock)
        G06829648Courtesy of KIA MOTORS AMERICA, INC.

        T1 : 0.5 ± 0.1sec,

        T2 : within 4 ± 1sec,

        T3 : over 4 ± 1sec.

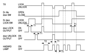
  3. KEYLESS ENTRY & CENTRAL DOOR LOCK/UNLOCK (BCM & RECEIVER ONLY)
    1. When the TX Lock is ON, the Hazard Lamp shall be output at one time for T2 after Lock Relay is output for T1.
      1. However, after the TX lock is ON, during waiting for the Hazard output, if the Key is inserted (KEY IN SW=ON), then the Hazard Lamp output shall not be performed.
      2. After the TX lock is On, if Key is inserted within 0.5 sec (KEY IN SW=ON), keep the prior state without alarm being entered.
    2. When TX Unlock is ON, the Unlock Relay for T1, and the Hazard Lamp for T1 outputs are performed at two times.
    3. In the state that the Key is OUT (KEY IN SW=OFF), the Dr/As/RR door switch are close, if there is no change during 30 seconds after the TX Unlock is output, then the Hazard lamp output shall be ON for T2 at one time after the Lock is output for T1.
    4. When the battery is connected, there shall not be sign of any malfunction.

      (Even if the Battery is connected when S/Knob is in Lock or Unlock position, the Lock signal shall not be output.)

      Fig 3: Blinking Pattern - Keyless Entry & Central Door Lock/Unlock (BCM & Receiver Only)
      G06829649Courtesy of KIA MOTORS AMERICA, INC.

      T1 : 0.5 ± 0.1sec

      T2 : 1 ± 0.2sec.

  4. HORN ANSWER BACK
    1. In the state that the door is Locked by TX (ARM state), if Tx Lock signal is received again within 4 sec after the last Tx Lock signal is received, Horn shall be output at one time (T3)
      Fig 4: Blinking Pattern - Horn Answer Back
      G06829650Courtesy of KIA MOTORS AMERICA, INC.

      T1 : 0.5 ± 0.1 sec

      T2 : 1 ± 0.2 sec

      T3 : 0.05±0.01sec

      T4 : within 4 ± 1sec

      T5 : over 4 ± 1sec

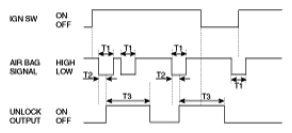
  5. CRASH DOOR UNLOCK
    1. Whenever the air bag (below A/BAG) signal is inputted in the IG SW ON state, the unlock output shall be ON for T3.
    2. During unlock output, although IG SW is turned to OFF from ON, the unlock output shall maintain for the remained time period.
    3. If IG SW is turned to ON from OFF after A/BAG signal first is inputted, the Unlock output shall not be performed.
    4. If drive or assist door lock switch is turned to lock from unlock after unlock output, the unlock output shall be On for T3.
      Fig 5: Blinking Pattern - Crash Door Unlock
      G06829651Courtesy of KIA MOTORS AMERICA, INC.

      T1 : 0.2 sec,

      T2 : 0.04 sec,

      T3 : 5 ± 0.5 sec.

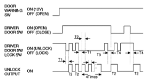
  6. IGNITION KEY REMINDER
    1. In the state that the door warning switch is ON, the driver door is opened, and the driver Safety Knob (below unlock knob) is locked, only the driver door (RKE only) or all doors (Non RKE) unlock shall be output within T1 for T2.

      * If the door is locked, the unlock shall be output at one time for T2, at three times for T3 only when the switch has not been changed within actuator.

    2. During the 3-time UNLOCK output, if the actuator is unlocked, then the next output shall be stopped.
    3. During the 3-time UNLOCK output, if the door is closed or the key is out from the cylinder, then the next output shall be stopped.
    4. After the 3-time UNLOCK output, if the actuator is locked, then the current state shall be maintained.
    5. If any of the door warning switch, the driver/assist door switch, and the driver/assist door actuator. UNLOCK switch is changed, then the reset operation shall be performed.
    6. If the door is closed within T4 after the actuator is locked, all the door unlock shall be output for T2.
    7. If the lock switch is ON within T4 sec. when the door is turn to the closed state, then all the door unlock signal shall be output for T2.
    8. If door warning switch is Off and IGN switch is On, then the IG key reminder function shall not be operated.
      Fig 6: Blinking Pattern - Ignition Key Reminder
      G06829652Courtesy of KIA MOTORS AMERICA, INC.

      T1 : MAX 0.5 sec,

      T2 : 1 ± 0.2sec,

      T3 : 0.5 ± 0.1 sec,

      T4 : MAX 0.5 sec.

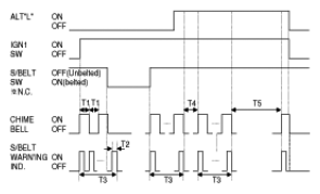
  7. SEAT BELT REMINDER FUNCTION
    1. Warning Lamp lights every 0.6sec and Warning Bell sounds every 0.9sec for 6sec when IGN1 switch is ON under unfastened S/Belt.

      (Warning lamp continues to light for 6sec if S/Belt is fastened within 6sec)

      30sec-TIME COUNT starts at ALT "L" ON under this state.

      (30sec-TIME COUNT starts after 6sec. If ALT "L" is ON within initial 6sec)

    2. Warning Bell stops and the Warning Lamp is turned OFF when IGN1 switch is turned OFF within 6sec-output.
    3. Warning Bell stops and the Warning Lamp is turned OFF 30sec-TIME COUNT also stops when S/Belt is fastened after IGN1 switch ON.
    4. If unfastened S/Belt state continues after 60sec-TIME COUNT from ALT "L" ON, the Warning Lamp flashes and Warning Bell sounds 11 times in 30sec-cycle (6sec ON/24sec OFF) after 30sec from ALT "L" ON.
    5. Warning Lamp & Warning Bell are turned OFF when IGN1 switch is OFF or S/Belt is fastened during (4).
    6. Operation in (1) is performed when S/Belt is unfastened again under ALT "L" ON and fastened S/Belt.
    7. Operation in (4) is performed when ALT "L" is turned ON again after turning OFF under unfastened S/Belt.
      Fig 7: Blinking Pattern - Seat Belt Reminder Function
      G06829653Courtesy of KIA MOTORS AMERICA, INC.

      T1 : 0.45 ± 1.0 sec, T2 : 0.3 ± 0.1 sec,

      T3 : 6 ± 1.0 sec, T4 : 30 ± 3.0 sec,

      T5 : 24 ± 2.0 sec.

  8. KEY OPERATED WARNING
    1. If the key is in the key cylinder and the Driver door is opened, the chime bell is sounded (period: 0.9 sec., duty rate: 50%).
    2. If the ignition key is removed, or the door is closed, the chime bell is switched OFF immediately.
      Fig 8: Blinking Pattern - Key Operated Warning
      G06829654Courtesy of KIA MOTORS AMERICA, INC.

      T1, T2 : 0.45 ± 0.1sec.

  9. DEFOGGER TIMER (INCLUDING OUTSIDE MIRROR HEATER)
    1. Once ALT "L" is ON, if the defogger is switched ON, the defogger will stay ON for 20 minutes duration.
    2. If defogger switch is pressed again (see Step  1, or if ignition is switched OFF, the defogger will shut OFF.
      Fig 9: Blinking Pattern - Defogger Timer (Including Outside Mirror Heater)
      G06829655Courtesy of KIA MOTORS AMERICA, INC.

      T1 : 20 ± 1 min.

  10. POWER WINDOW TIMER
    1. When the ignition is switched OFF, power window output remains ON for 30 seconds and then turns OFF.
    2. Related to Step  1, if the driver door or assist door is opened, window power output is turned OFF immediately.
    3. When the driver door or assist door is opened, the power window relay output is turned OFF immediately.
      Fig 10: Blinking Pattern - Power Window Timer
      G06829656Courtesy of KIA MOTORS AMERICA, INC.

      T1: 30 ± 3 sec.

  11. Tx LOCK TWICE ALARM
    1. In the state that the door is Locked by TX (alarm state), if Tx Lock signal is received again within 4sec after the last Tx Lock signal is received, Horn shall be output at one time (0.05 sec)
      Fig 11: Blinking Pattern - Tx Lock Twice Alarm
      G06829657Courtesy of KIA MOTORS AMERICA, INC.

      T1 : 0.5 ± 0.1sec, T2 : 1 ± 0.2 sec, T3 : 0.05 ± 0.01 sec,

      T4 : within 4 ± 1 sec, T5 : over 4 ± 1 sec.

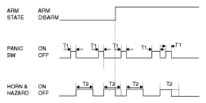
  12. PANIC ALARM (ETACS ONLY)
    1. If TX Panic signal is received, Panic alarm shall be on for T1 by using horn, hazard.

      Panic delay time applied (When Panic switch is on for 0.5sec, Panic alarm should on)

    2. During panic alarm, if (TX LOCK/UNLOCK/PANIC, KEY IN, DOOR KEY LOCK, DOOR KEY UNLOCK, T/GATE KEY UNLOCK, TRUNK KEY UNLOCK) signals are received, Panic alarm shall be OFF.
    3. During Panic operating, if the alarm condition is satisfied, Panic alarm shall be OFF.
    4. The related matter to the Anti theft alarm function shall be as follows.
      1. During the Anti theft alarm sequence, even if the TX Panic signal is received, the Anti theft alarm shall be maintained. (The Panic signal shall be ignored.)
      2. If the Anti theft alarm condition is satisfied during the Panic alarm sequence, the Anti theft alarm shall be output. (The Panic output shall be OFF.)
      3. If the Panic signal is received in the warning standby/warning/alarm completion/RELOCK standby modes, then the Anti theft function shall be operated and the Panic alarm shall be ON.
    5. During the Panic alarm sequence, although other registered TX signals are received, they shall be treated as the same TX signal.
      Fig 12: Blinking Pattern - Panic Alarm (ETACS Only)
      G06829658Courtesy of KIA MOTORS AMERICA, INC.

      T1 : 0.5sec,

      T2 : 30 ± 3sec (0.9seconds with the cycle of 50% DUTY)