lemon-mirror:
Home >> Kia >> 2011 >> Rio Base >> Repair and Diagnosis >> Engine Mechanical >> Mechanical >> Timing System >> Timing Belt >> Installation

Timing Belt: Installation

  1. Install the camshaft sprocket and tighten the bolt to the specified torque.
    1. Temporarily install the camshaft sprocket bolt (C).
    2. Hold the portion (A) of the camshaft with a hexagonal wrench, and tighten the bolt (C) with a wrench (B).

      Tightening torque : 

      78.5 ~ 98.1N.m (8.0 ~ 10.0kgf.m, 57.9 ~ 72.3lb-ft)

      Fig 1: Tightening Camshaft Sprocket Bolt With Wrench
      G06828455Courtesy of KIA MOTORS AMERICA, INC.
  2. Install the cylinder head cover.
    1. Install the cylinder head cover (A) and bolts (B).

      Tightening torque : 

      7.8 ~ 9.8N.m (0.8 ~ 1.0kgf.m, 5.8 ~ 7.2lb-ft)

      Fig 2: Identifying Cylinder Head Cover Bolts Tightening Sequence
      G06828456Courtesy of KIA MOTORS AMERICA, INC.
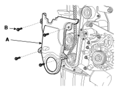
    2. Install the engine cover bracket (A).
      Fig 3: Locating Engine Cover Bracket
      G06828457Courtesy of KIA MOTORS AMERICA, INC.
    3. Install the PCV (Positive Crankcase Ventilation) hose (A) and breather hose (B) to the cylinder head cover.
      Fig 4: Locating Positive Crankcase Ventilation Hose And Breather Hose
      G06828458Courtesy of KIA MOTORS AMERICA, INC.
    4. Install the ignition coil.
      Fig 5: Identifying Ignition Coil
      G06828459Courtesy of KIA MOTORS AMERICA, INC.
  3. Install the crankshaft sprocket (A).
    Fig 6: Locating Crankshaft Sprocket
    G06828460Courtesy of KIA MOTORS AMERICA, INC.
  4. Align the timing marks of the camshaft sprocket (A) and crankshaft sprocket (B) with the No. 1 piston placed at top dead center and its compression stroke.
    Fig 7: Locating Timing Marks Of Camshaft Sprocket
    G06828461Courtesy of KIA MOTORS AMERICA, INC.
    Fig 8: Locating Timing Marks Of Crankshaft Sprocket
    G06828462Courtesy of KIA MOTORS AMERICA, INC.
  5. Install the idler pulley (A) and tighten the bolt (B) to the specified torque.

    Tightening torque : 

    42.2 ~ 53.9N.m (4.3 ~ 5.5kgf.m, 31.1 ~ 39.8lb-ft)

    Fig 9: Locating Idler Pulley And Bolt
    G06828463Courtesy of KIA MOTORS AMERICA, INC.
  6. Temporarily install the timing belt tensioner (A).
    Fig 10: Locating Timing Belt Tensioner
    G06828464Courtesy of KIA MOTORS AMERICA, INC.
  7. Install the belt so as not give slack at each center of shaft. Use the following order when installing timing belt.

    Crankshaft sprocket (A) →idler pulley (B) →camshaft sprocket (C) →timing belt tensioner (D).

    Fig 11: Locating Crankshaft Sprocket, Idler Pulley, Camshaft Sprocket And Timing Belt Tensioner
    G06828465Courtesy of KIA MOTORS AMERICA, INC.
  8. Adjust the timing belt tension.
    1. Loosen the tensioner pulley mounting bolt and apply tension to the timing belt.
      Fig 12: Locating Tensioner Pulley Mounting Bolt
      G06828466Courtesy of KIA MOTORS AMERICA, INC.
    2. After checking the alignment between each sprocket and each timing belt tooth, tighten the mounting bolt (A) and (B) one by one.

      Tightening torque :

      19.6 ~ 26.5N.m (2.0 ~ 2.7kgf.m, 14.5 ~ 19.5lb-ft)

    3. Then recheck the belt tension.

      Verify that when the tensioner and the tension side of the timing belt are pushed in horizontally with a moderate force [approx. 49N (11lb)], the timing belt cog end is approx. 1/2 of the tensioner mounting bolt head radius (across flats) away from the bolt head center.

      Fig 13: Checking Belt Tension
      G06828467Courtesy of KIA MOTORS AMERICA, INC.
    4. Timing belt tension measuring procedure [Using a mechanical tension gauge (BT-33-73F, BTG-2 type)] Rotate crankshaft in clockwise direction to set 1st piston on top dead center (TDC) and rotate crankshaft in counterclockwise to 90° then measure the belt tension in the middle of tension side span (in both arrow direction of above illustration) by free vibration method.
      CAUTION: When rotating the crankshaft counter-clockwise, be sure to rotate the crankshaft at a time.
      1. Input the belt specifications into the tension meter.
        TIMING BELT TENSION MEASURING REFERENCE CHART

        Location of measurement Input data
        M (Mass, g/m.mm) W (Width, mm) S (Span, mm)
        T1 Camshaft sprocket to crankshaft sprocket 4.5 22 250
        T2 Camshaft sprocket to tensioner 4.5 22 231
      2. Locate the micro phone close to the center of belt span (T1, T2) and bounce the belt by finger 2~3 times. Read a value on the display.
        Fig 14: Locating Micro Phone Close To Center Of Belt Span (T1, T2)
        G06828468Courtesy of KIA MOTORS AMERICA, INC.
      3. Measure both T1 and T2 at the A and B points respectively and then calculate the average
        Fig 15: Average Belt Tension (T) Equation
        G06828469Courtesy of KIA MOTORS AMERICA, INC.

        Average Belt Tension (T) 

        Without CVVT (1.4L/1.6L): 20±3.5 kgf

        With CVVT (1.6L): 18±3.5 kgf

  9. Turn the crankshaft two turns in the operating direction (clockwise) and realign crankshaft sprocket and camshaft sprocket timing mark.
  10. Install the timing belt lower cover (A) with 5 bolts (B).

    Tightening torque : 

    7.8 ~ 9.8N.m (0.8 ~ 1.0kgf.m, 5.8 ~ 7.2lb-ft)

    Fig 16: Locating Timing Belt Lower Cover And Bolts
    G06828470Courtesy of KIA MOTORS AMERICA, INC.
  11. Install the flange and crankshaft pulley (A), and then tighten crankshaft pulley bolt.

    Make sure that crankshaft sprocket pin fits the small hole in the pulley.

    Tightening torque : 

    137.3 ~ 147.1N.m (14.0 ~ 15.0kgf.m, 101.3 ~ 108.5lb-ft)

    Fig 17: Locating Flange And Crankshaft Pulley
    G06828471Courtesy of KIA MOTORS AMERICA, INC.
  12. Install the timing belt upper cover (A) with 4 bolts (B).

    Tightening torque : 

    7.8 ~ 9.8N.m (0.8 ~ 1.0kgf.m, 5.8 ~ 7.2lb-ft)

    Fig 18: Locating Timing Belt Upper Cover And Bolts
    G06828472Courtesy of KIA MOTORS AMERICA, INC.
  13. Install the water pump pulley and 4 bolts.
  14. Install the power steering pump drive belt (C). (Refer to ELECTRONIC POWER STEERING SYSTEM )
    Fig 19: Identifying Power Steering Pump Drive Belt
    G06828473Courtesy of KIA MOTORS AMERICA, INC.
  15. Install the air conditioner compressor drive belt (B).

    (Refer to AIR CONDITIONING SYSTEM )

  16. Install the alternator drive belt (A). (Refer to ALTERNATOR )
  17. Install the RH side cover (A) with 2 bolts (B).
    Fig 20: Locating RH Side Cover And Bolts
    G06828474Courtesy of KIA MOTORS AMERICA, INC.
  18. Install the RH front wheel.

    Tightening torque : 

    88.3 ~ 98.1N.m (9.0 ~ 10.0kgf.m, 65.1 ~ 72.3lb-ft)

  19. Install the engine cover with bolts.

    Tightening torque : 

    3.9 ~ 5.9N.m (0.4 ~ 0.6kgf.m, 2.9 ~ 4.3lb-ft)

    Fig 21: Locating Engine Cover And Bolts
    G06828475Courtesy of KIA MOTORS AMERICA, INC.