lemon-mirror:
Home >> Kia >> 2011 >> Rio Base >> Repair and Diagnosis >> Engine Mechanical >> Mechanical >> Timing System >> Timing Belt >> Removal

Timing Belt: Removal

Engine removal is not required for this procedure.

  1. Remove the engine cover (A).
    Fig 1: Locating Engine Cover
    G06828430Courtesy of KIA MOTORS AMERICA, INC.
  2. Remove the RH front wheel.
  3. Remove the 2 bolts (B) and RH side cover (A).
    Fig 2: Locating Bolts And RH Side Cover
    G06828431Courtesy of KIA MOTORS AMERICA, INC.
  4. Temporarily loosen the water pump pulley bolts.
    Fig 3: Loosening Water Pump Pulley Bolts
    G06828432Courtesy of KIA MOTORS AMERICA, INC.
  5. Remove the alternator drive belt (A). (Refer to ALTERNATOR )
    Fig 4: Identifying Alternator Drive Belt
    G06828433Courtesy of KIA MOTORS AMERICA, INC.
  6. Remove the air conditioner compressor drive belt (B).

    (Refer to AIR CONDITIONING SYSTEM )

  7. Remove the power steering pump drive belt (C).

    (Refer to ELECTRONIC POWER STEERING SYSTEM )

  8. Remove the 4 bolts and water pump pulley.
  9. Remove the 4 bolts (B) and timing belt upper cover (A).
    Fig 5: Locating Bolts And Timing Belt Upper Cover
    G06828434Courtesy of KIA MOTORS AMERICA, INC.
  10. Turn the crankshaft pulley, and align its groove with timing mark "T" of the timing belt cover. Check that the timing mark of camshaft sprocket is aligned with the timing mark of cylinder head cover. (No. 1 cylinder compression TDC position)
    Fig 6: Aligning Crankshaft Pulley Groove With Timing Mark "T" Of Timing Belt Cover
    G06828435Courtesy of KIA MOTORS AMERICA, INC.
    Fig 7: Checking That Timing Mark Of Camshaft Sprocket Is Aligned With Timing Mark Of Cylinder Head Cover
    G06828436Courtesy of KIA MOTORS AMERICA, INC.
  11. Remove the crankshaft pulley bolt and crankshaft pulley (A).
    Fig 8: Locating Crankshaft Pulley Bolt And Crankshaft Pulley
    G06828437Courtesy of KIA MOTORS AMERICA, INC.
  12. Remove the crankshaft flange (A).
    Fig 9: Locating Crankshaft Flange
    G06828438Courtesy of KIA MOTORS AMERICA, INC.
  13. Remove the 4 bolts (B) and timing belt lower cover (A).
    Fig 10: Locating Bolts And Timing Belt Lower Cover
    G06828439Courtesy of KIA MOTORS AMERICA, INC.
  14. Remove the timing belt tensioner (A) and timing belt.
    Fig 11: Locating Timing Belt Tensioner
    G06828440Courtesy of KIA MOTORS AMERICA, INC.
    Fig 12: Locating Timing Belt
    G06828441Courtesy of KIA MOTORS AMERICA, INC.
    NOTE: If the timing belt reused, make an arrow indicating the turning direction to make sure that the belt is reinstalled in the same direction as before.
  15. Remove the bolt (B) and timing belt idler (A).
    Fig 13: Locating Bolt And Timing Belt Idler
    G06828442Courtesy of KIA MOTORS AMERICA, INC.
  16. Remove the crankshaft sprocket (A).
    Fig 14: Locating Crankshaft Sprocket
    G06828443Courtesy of KIA MOTORS AMERICA, INC.
  17. Remove the cylinder head cover.
    1. Remove the wire harness bracket (A).
      Fig 15: Locating Wire Harness Bracket
      G06828444Courtesy of KIA MOTORS AMERICA, INC.
    2. Remove the ignition coil.
      Fig 16: Locating Ignition Coil
      G06828445Courtesy of KIA MOTORS AMERICA, INC.
    3. Remove the PCV (Positive Crankcase Ventilation) hose (A) and the breather hose (B) from the cylinder head cover.
      Fig 17: Locating Positive Crankcase Ventilation Hose And Breather Hose
      G06828446Courtesy of KIA MOTORS AMERICA, INC.
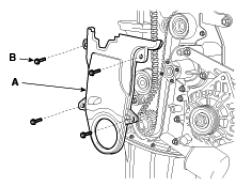
    4. Remove the engine cover bracket (A).
      Fig 18: Locating Engine Cover Bracket
      G06828447Courtesy of KIA MOTORS AMERICA, INC.
    5. Loosen the cylinder head cover bolts (B) and then remove the cover (A) and gasket.
      Fig 19: Locating Cylinder Head Cover Bolts, Cover And Gasket
      G06828448Courtesy of KIA MOTORS AMERICA, INC.
  18. Remove the camshaft sprocket.
    1. Hold the portion (A) of the camshaft with a hexagonal wrench, and remove the bolt (C) with a wrench (B) and remove the camshaft sprocket.
      Fig 20: Removing Camshaft Sprocket
      G06828449Courtesy of KIA MOTORS AMERICA, INC.
      CAUTION: Be careful not to damage the cylinder head and valve lifter with the wrench.