lemon-mirror:
Home >> Kia >> 2012 >> Forte LX, Automatic Trans >> Repair and Diagnosis >> Accessories & Equipment >> Communication Devices >> Body Control Module (BCM) >> Description And Operation >> Function >> Wiper Control

Wiper Control

  1. Wiper Data Flow
    Fig 1: Wiper Data Flow
    G07369195Courtesy of KIA MOTORS AMERICA, INC.
  2. Washer Interlocking Wiper
    1. Turn Wiper Enable Relay ON after T1 when turning Washer switch ON at the status of IGN2 ON and if the input of Washer switch is between 0.06 and 0.2sec, turn the output of Wiper Enable Relay OFF after T3. But, ignore the input of Washer switch occurred while Wiper Enable Relay is being operated and accept it from the input of Washer switch after operating Wiper Enable Relay.
      Fig 2: Wiper Enable Relay Timing Pattern (Input Of Washer Switch Between 0.06 & 0.2 Sec)
      G07369196Courtesy of KIA MOTORS AMERICA, INC.

      T1 : 0.2 ± 0.03 sec,

      T2 : 0.06 ~ 0.2sec, T3 : 0.7 ± 0.1 sec

      T3 = 0 (In case of T2 ≤ 0.06 sec.)

    2. Turn Wiper Enable Relay ON after T1 when turning Washer switch ON at the status of IGN2 ON and if the input of Washer switch is more than 0.2sec, turn the output of Wiper Enable Relay OFF for 2.5~3.8 sec after turning Washer switch OFF.

      But, ignore the input of Washer switch occurred while Wiper Enable Relay is being operated and accept it from the input of Washer switch after operating Wiper Enable Relay.

      Fig 3: Wiper Enable Relay Timing Pattern (Input Of Washer Switch More Than 0.2 Sec)
      G07369197Courtesy of KIA MOTORS AMERICA, INC.

      T1 : 0.2 ± 0.02s,

      T2 : over 0.2s,

      T3 : 2.5 ~ 3.8s

    3. Turn the output of WASHER INTERLOCKING WIPER when Washer switch is turned ON for more than 0.2 sec during the operation of INT WIPER. If Washer switch is turned on for less than 0.2sec, turn the output of Wiper Enable Relay once.
      Fig 4: Wiper Enable Relay Timing Pattern (Washer Switch Turned ON For More Than 0.2 Sec)
      G07369198Courtesy of KIA MOTORS AMERICA, INC.

      T1 : 0.2 ± 0.02s,

      T2 : over 0.2s,

      T3 : 2.5 ~ 3.8s,

      T4 : INT TIME - 0.7s,

      T5 : 0.2 ~ 0.06s,

      T6 : 0.7 ± 0.1s

    4. In case of starting (IGN1 ON & IGN2 OFF) ignore the input of Washer switch.
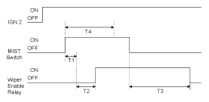
  3. Mist Interlocking Wiper
    1. Turn the output of Wiper Enable Relay for 700ms when turning Mist switch ON at the status of IGN2 ON.
      Fig 5: Wiper Enable Relay Timing Pattern (Turning Mist Switch ON At Status Of IGN2 ON)
      G07369199Courtesy of KIA MOTORS AMERICA, INC.

      T1 : Min 60 ms,

      T2 : Max 100ms,

      T3 : 700 ± 100ms

    2. If the input of Mist switch is continuous (for more than 700ms), keep the condition of Wiper Enable Relay is ON and if Mist switch is turned OFF turn the output of Wiper Enable Relay for 700ms from that point.
    3. Ignore the input of Mist switch while operating WIPER by INT WIPER, WASHER Interlocking WIPER.
      Fig 6: Wiper Enable Relay Timing Pattern (Input Of Mist Switch Continuous)
      G07369200Courtesy of KIA MOTORS AMERICA, INC.

      T1 : Min 60 ms,

      T2 : Max 100ms,

      T3 : 700 ± 100ms,

      T4 : 700ms

  4. INT Wiper
    1. Variable INT Wiper is operated by INT volume when the input of INT WIPER switch is ON at the status of IGN2 ON.
      Fig 7: Wiper Enable Relay Timing Pattern (Input Of INT Wiper Switch ON)
      G07369201Courtesy of KIA MOTORS AMERICA, INC.

      T1 : 0.7 +/- 0.1sec,

      T2 : Interval Time