lemon-mirror:
Home >> Kia >> 2012 >> Forte LX, Automatic Trans >> Repair and Diagnosis >> Transmission >> Automatic Trans >> Automatic Transaxle Control System >> Transaxle Control Module (TCM) >> Schematic Diagrams >> Circuit Diagram

Circuit Diagram

Fig 1: TCM - Circuit Diagram (1 Of 2)
G07367986Courtesy of KIA MOTORS AMERICA, INC.
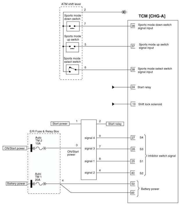
Fig 2: TCM - Circuit Diagram (2 Of 2)
G07367987Courtesy of KIA MOTORS AMERICA, INC.