lemon-mirror:
Home >> Kia >> 2012 >> Sedona EX >> Repair and Diagnosis >> Engine Performance >> Engine Control Systems >> Engine Control Module (ECM) >> Schematic Diagrams >> Circuit Diagram

Circuit Diagram

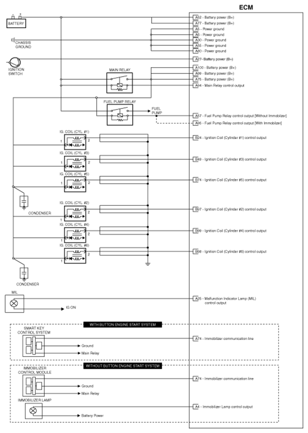
Fig 1: ECM - Circuit Diagram (1 Of 5)
G07395615Courtesy of KIA MOTORS AMERICA, INC.
Fig 2: ECM - Circuit Diagram (2 Of 5)
G07395616Courtesy of KIA MOTORS AMERICA, INC.
Fig 3: ECM - Circuit Diagram (3 Of 5)
G07395617Courtesy of KIA MOTORS AMERICA, INC.
Fig 4: ECM - Circuit Diagram (4 Of 5)
G07395618Courtesy of KIA MOTORS AMERICA, INC.
Fig 5: ECM - Circuit Diagram (5 Of 5)
G07395619Courtesy of KIA MOTORS AMERICA, INC.