lemon-mirror:
Home >> Kia >> 2015 >> Optima Hybrid >> Repair and Diagnosis >> Engine Performance >> Engine Control Systems >> Engine Control System - Optima HEV >> Engine Control Module (ECM) >> Schematic Diagrams >> Circuit Diagram

Circuit Diagram

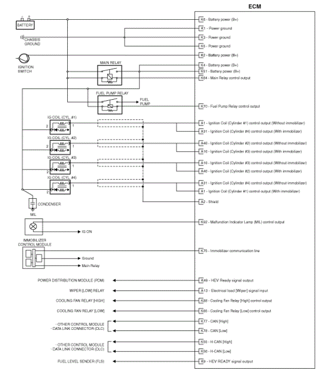
Fig 1: ECM - Circuit Diagram (1 Of 4)
G00548712Courtesy of KIA MOTORS AMERICA, INC.
Fig 2: ECM - Circuit Diagram (2 Of 4)
G00548713Courtesy of KIA MOTORS AMERICA, INC.
Fig 3: ECM - Circuit Diagram (3 Of 4)
G00548714Courtesy of KIA MOTORS AMERICA, INC.
Fig 4: ECM - Circuit Diagram (4 Of 4)
G08312828Courtesy of KIA MOTORS AMERICA, INC.