lemon-mirror:
Home >> Kia >> 2015 >> Sedona EX >> Repair and Diagnosis >> Transmission >> Transmission Control Systems >> Automatic Transaxle Control System >> Transaxle Control Module (TCM) >> Schematic Diagrams >> Circuit Diagram

Circuit Diagram

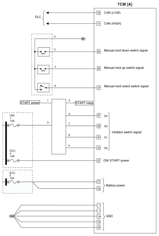
Fig 1: TCM Circuit Diagram (1 Of 2)
G10649024Courtesy of KIA MOTORS AMERICA, INC.
Fig 2: TCM Circuit Diagram (2 Of 2)
G10649025Courtesy of KIA MOTORS AMERICA, INC.