lemon-mirror:
Home >> Kia >> 2016 >> K900 V8 >> Repair and Diagnosis >> Body & Frame >> Door Locks >> Smart Key System >> Smart Key Unit >> Repair Procedures >> Inspection >> Trunk Open Switch

Trunk Open Switch

  1. Check for continuity between the trunk open switch terminals.
    Fig 1: Trunk Open Switch Connector Terminals
    G11804087Courtesy of KIA MOTORS AMERICA, INC.
  2. If continuity is not specified, inspect the switch
    Fig 2: Trunk Open Switch Connector Terminals Continuity Chart
    G11804088Courtesy of KIA MOTORS AMERICA, INC.
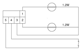
    Fig 3: Trunk Open Switch Circuit Diagram
    G11804089Courtesy of KIA MOTORS AMERICA, INC.