lemon-mirror:
Home >> Kia >> 2017 >> Cadenza Technology >> Repair and Diagnosis >> Transmission >> Automatic Trans >> Automatic Transaxle Control System >> Transaxle Control Module (TCM) >> Schematic Diagrams >> Circuit Diagram

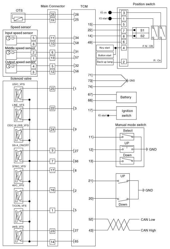
Circuit Diagram

Fig 1: TCM Circuit Diagram
G12293690Courtesy of KIA MOTORS AMERICA, INC.