lemon-mirror:
Home >> Kia >> 2017 >> Optima Plug-In Hybrid EX >> Repair and Diagnosis >> Transmission >> Transmission Control Systems >> Automatic Transaxle Control System (PHEV) >> Transaxle Control Module (TCM) >> Schematic Diagrams >> Circuit Diagram

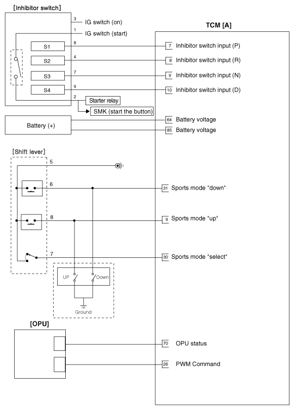
Circuit Diagram

G12347476Courtesy of KIA MOTORS AMERICA, INC.
G12347477Courtesy of KIA MOTORS AMERICA, INC.