lemon-mirror:
Home >> Kia >> 2017 >> Soul Base, Automatic Trans >> Repair and Diagnosis >> Body & Frame >> Door Locks >> Keyless Entry >> Repair Procedures >> Inspection >> Front Door Lock Module Inspection

Front Door Lock Module Inspection

  1. Remove the front door trim.

    (Refer to Body - "FRONT DOOR TRIM ")

  2. Remove the front door module.

    (Refer to Body - "FRONT DOOR MODULE ")

  3. Disconnect the connectors from the actuator.
    Fig 1: Disconnecting Connectors From Actuator
    G12235555Courtesy of KIA MOTORS AMERICA, INC.
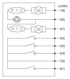
  4. Check actuator operation by connecting power and ground according to the table. To prevent damage to the actuator, apply battery voltage only momentarily.
    Fig 2: Front Door Lock Module Circuit Diagram
    G12235556Courtesy of KIA MOTORS AMERICA, INC.
    Fig 3: Front Door Lock Module Connector Terminals Continuity Chart
    G12235557Courtesy of KIA MOTORS AMERICA, INC.
  5. Check for continuity between the terminals in each switch position according to the table.
    Fig 4: Front Door Lock Module Connector Terminals Operation Chart
    G12235558Courtesy of KIA MOTORS AMERICA, INC.