lemon-mirror:
Home >> Kia >> 2018 >> Optima Plug-In Hybrid EX >> Repair and Diagnosis >> Transmission >> Automatic Trans >> Engine Clutch Assembly (PHEV) >> Components And Components Location >> Component Location

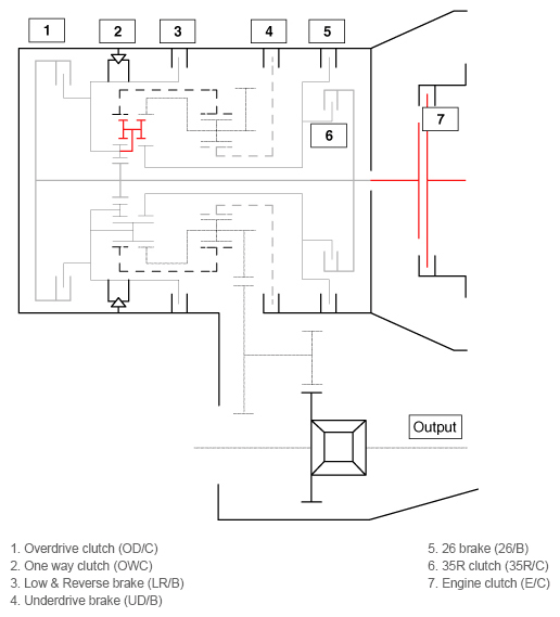
Component Location

G12355457Courtesy of KIA MOTORS AMERICA, INC.