lemon-mirror:
Home >> Kia >> 2019 >> Rio LX >> Repair and Diagnosis >> Transmission >> Transmission Control Systems >> Automatic Transaxle Control System >> Transaxle Control Module (TCM) >> Schematic Diagrams >> Circuit Diagram

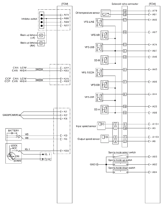
Circuit Diagram

G12576878Courtesy of KIA MOTORS AMERICA, INC.