lemon-mirror:
Home >> Kia >> 2020 >> Cadenza Technology >> Repair and Diagnosis >> Transmission >> Automatic Trans >> Automatic Transaxle Control System >> Transaxle Control Module (TCM) >> Schematic Diagrams >> Circuit Diagram

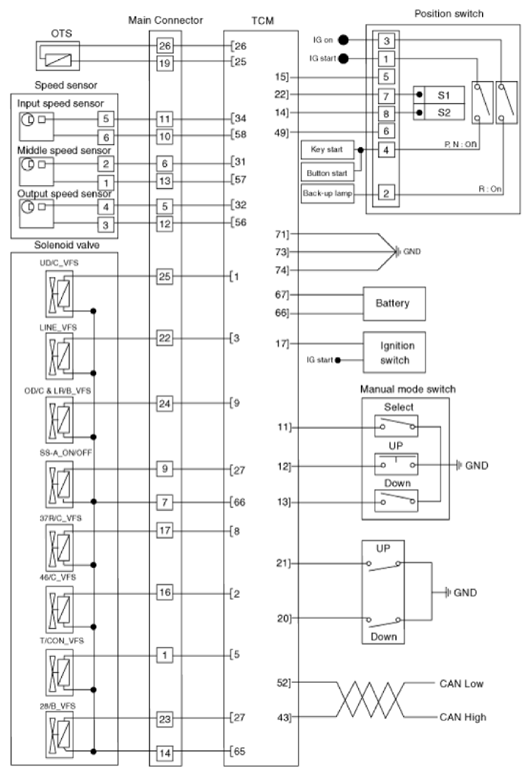
Circuit Diagram

G13403620Courtesy of KIA MOTORS AMERICA, INC.