lemon-mirror:
Home >> Kia >> 2022 >> Stinger GT-Line, RWD >> Repair and Diagnosis >> Steering >> Steering Column >> Steering Column Module >> Steering Column Module (SCM) >> Schematic Diagrams >> Notes

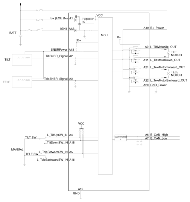
Schematic Diagrams: Notes

G14996832Courtesy of KIA MOTORS AMERICA, INC.