lemon-mirror:
Home >> Kia >> 2025 >> Soul EX >> Repair and Diagnosis >> Engine Performance >> Engine Control Systems >> Engine Control System >> Knock Sensor (KS) >> Schematic Diagrams >> Circuit Diagram >> Notes

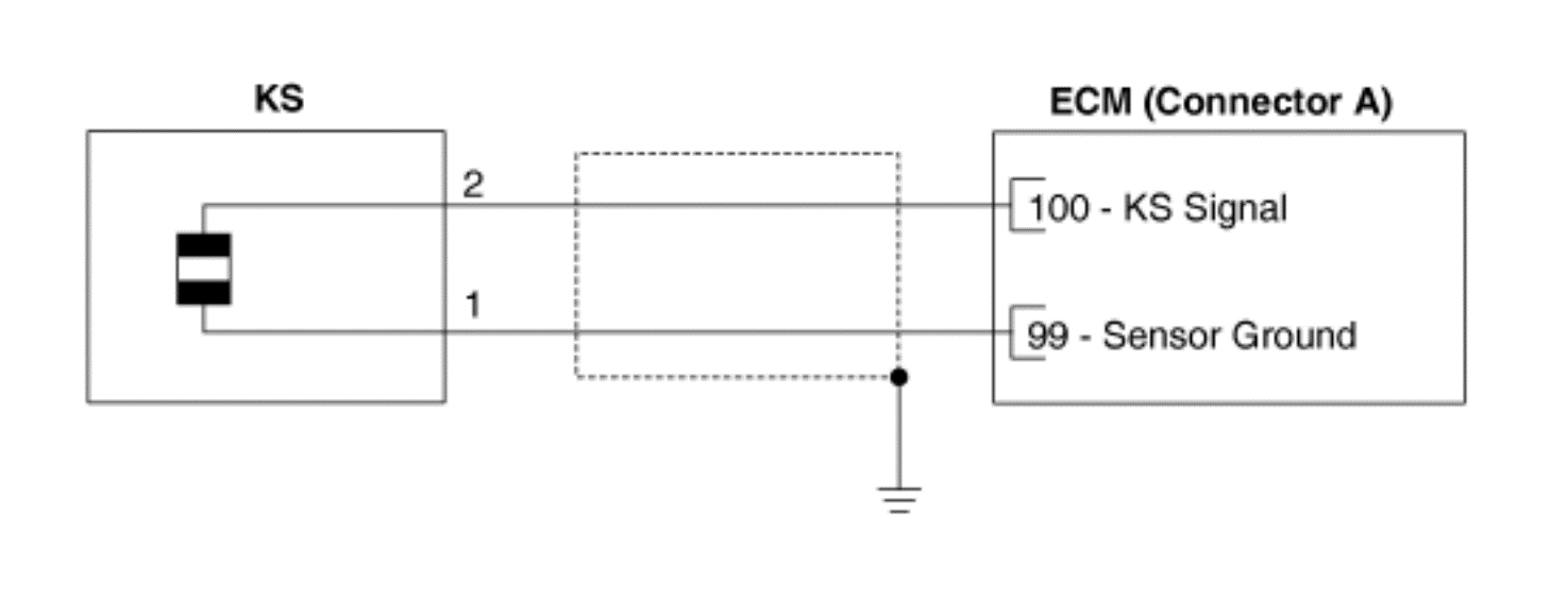
Circuit Diagram: Notes

G15694539Courtesy of KIA MOTORS AMERICA, INC.