lemon-mirror:
Home >> Lexus >> 1993 >> SC 400 >> Repair and Diagnosis >> Brakes >> Traction Control >> Traction Control System >> Wiring Diagrams

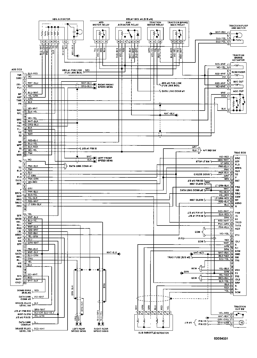
Wiring Diagrams

Fig 1: Traction Control (TRAC) System Wiring Diagram
G93G84331Courtesy of © TOYOTA, LICENSE AGREEMENT TMS1002