lemon-mirror:
Home >> Lexus >> 2001 >> LS 430 >> Repair and Diagnosis >> Accessories & Equipment >> Infotainment >> LEXUS Navigation System >> Pre-Check

LEXUS Navigation System: Pre-Check

  1. USER TROUBLES UNDER NORMAL CONDITION OF THE NAVIGATION SYSTEM 
    1. Voice guidance is not performed even though the system is in normal condition when:
      1. The destination is not set up.
      2. The vehicle is not driving on the set route. (The remaining distance is not displayed at the lower left of the map screen that tells the current position of the vehicle.)
      3. "Guidance in Other Modes" is not set up. (In this case no voice guidance is given except on the map screen.)
    2. The vehicle icon turns around arbitrarily on the screen even when the system is in normal condition. If the ignition switch is turned to "ACC" or "ON" while the vehicle is turning around such as being on the turntable, the Navigation System memorizes the angle speed of that moment as the standard figure. To solve this problem, at the vehicle speed of 0 MPH (0 km/h), turn off the ignition switch and, then turn it to "ACC" or "ON" again, and see whether any trouble occurs again.
  2. INSPECTION OF THE LOCATION WITH TROUBLE OCCURRENCE 

    Examine whether the wrong display of the vehicle icon appears in a certain location or in several locations.

    HINT:

    It is difficult to determine the accurate vehicle position when driving on a freeway, a looped road or a road which runs in parallel with another, and immediately after going a out of the parking area. In such cases the vehicle icon can be displayed off the real position of the vehicle.

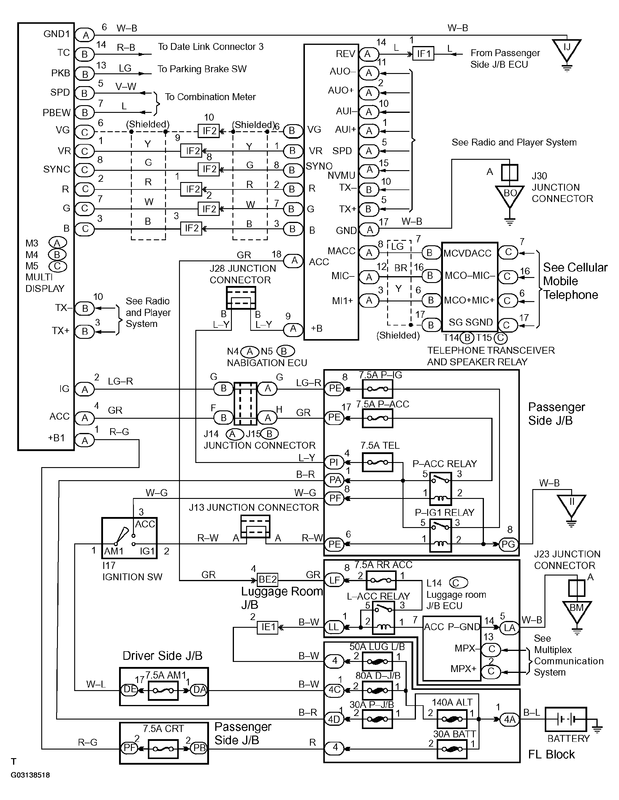
  3. WIRING DIAGRAM 
    1. Navigation System Wiring Diagram
      Fig 1: Navigation System Wiring Diagram
      G03138518Courtesy of © TOYOTA, LICENSE AGREEMENT TMS1002
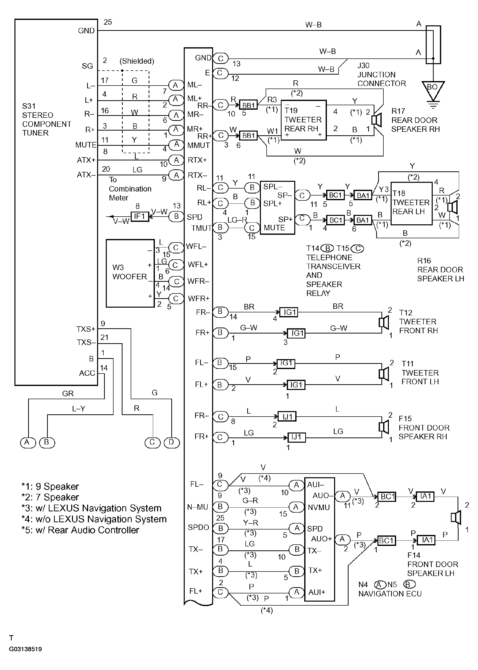
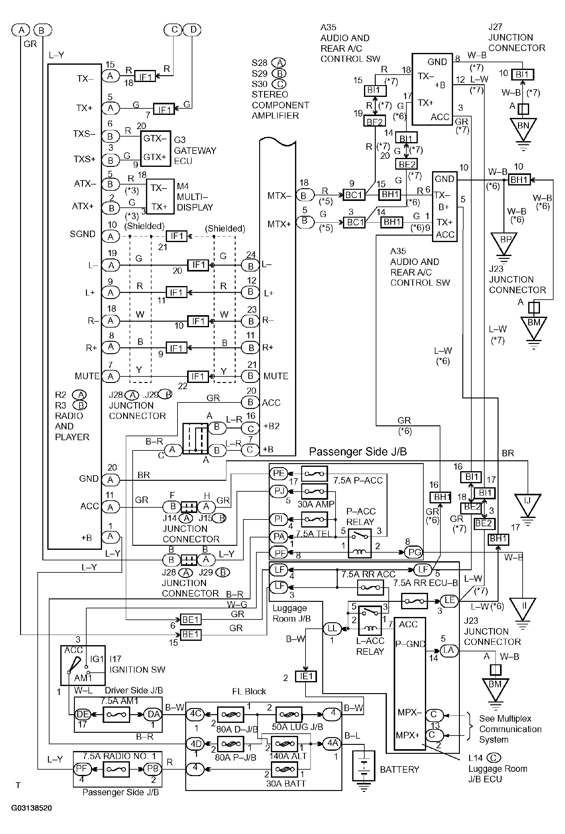
    2. Audio System Wiring Diagram
      Fig 2: Audio System Wiring Diagram (1 Of 2)
      G03138519Courtesy of © TOYOTA, LICENSE AGREEMENT TMS1002
      Fig 3: Audio System Wiring Diagram (2 Of 2)
      G03138520Courtesy of © TOYOTA, LICENSE AGREEMENT TMS1002
    3. Cellular Mobile Telephone System Wiring Diagram:
      Fig 4: Cellular Mobile Telephone System Wiring Diagram
      G03138521Courtesy of © TOYOTA, LICENSE AGREEMENT TMS1002
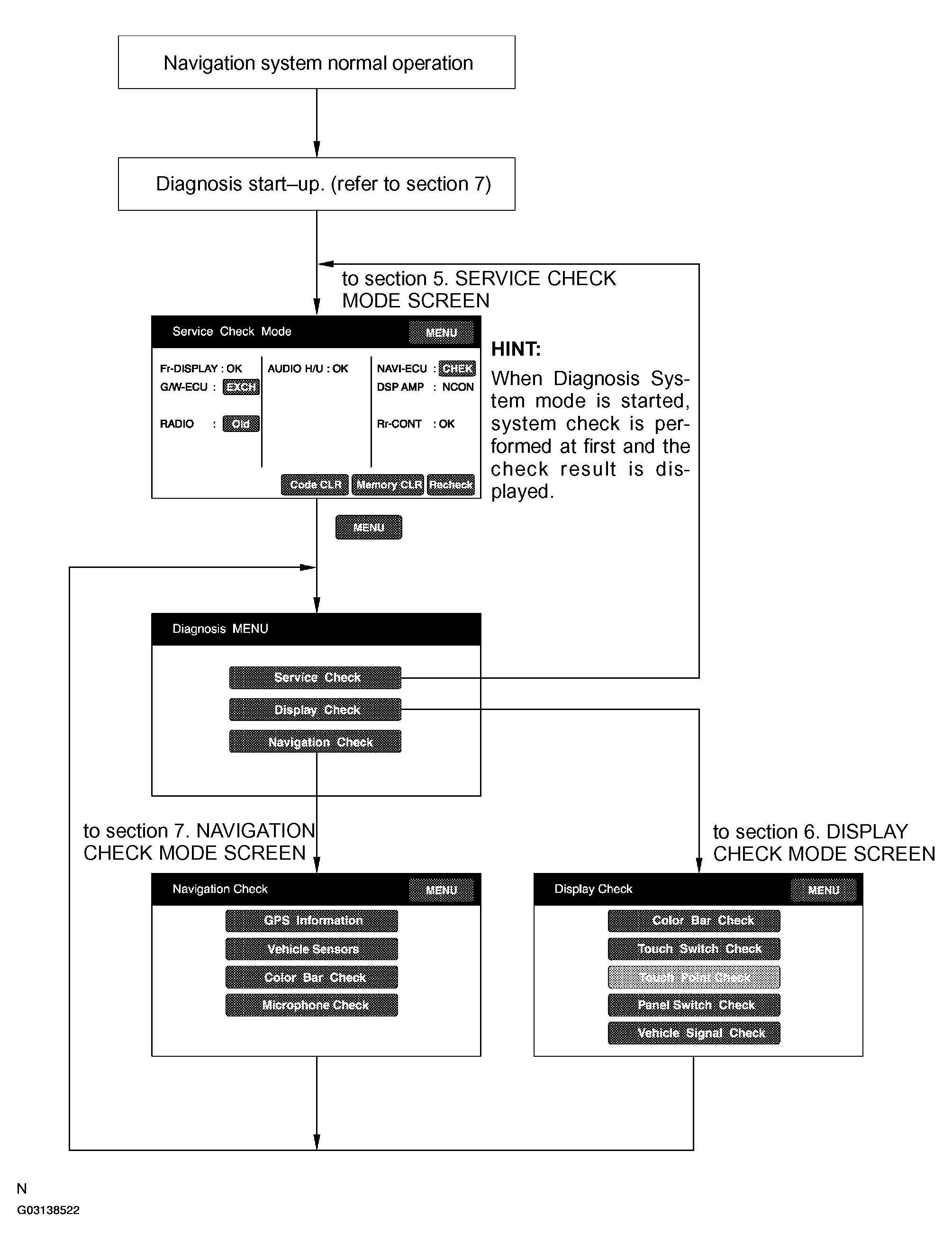
  4. DIAGNOSIS SYSTEM MODE 

    HINT:

    Diagnosis System Mode is operated as follows, see Fig 5. Also, see step  8.

    Fig 5: Diagnosis System Mode Flow Chart
    G03138522Courtesy of © TOYOTA, LICENSE AGREEMENT TMS1002
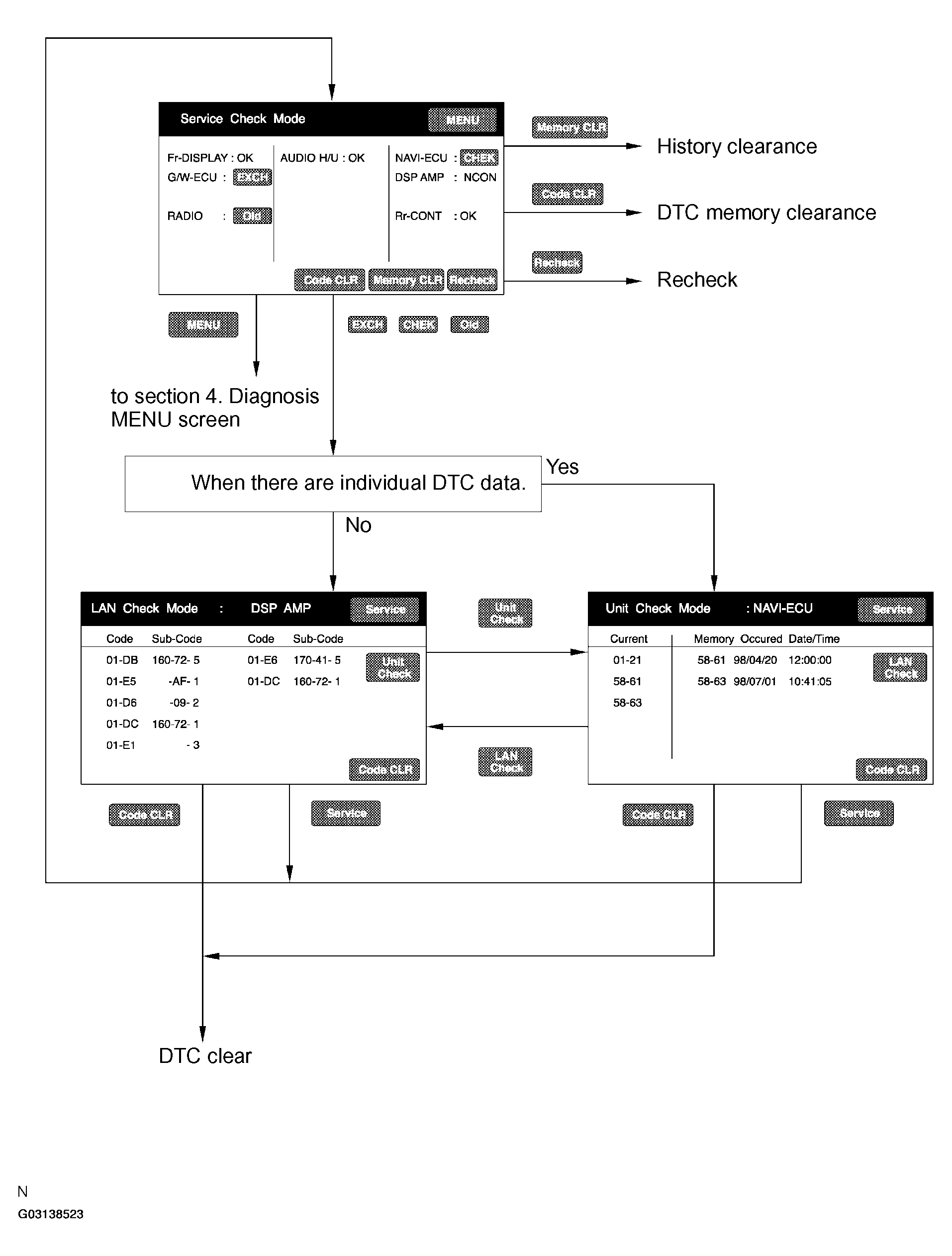
  5. SERVICE CHECK MODE 

    HINT:

    Service Check Mode is operated as follows, see Fig 6. Also, see step  8.

    Fig 6: Service Check Mode Flow Chart
    G03138523Courtesy of © TOYOTA, LICENSE AGREEMENT TMS1002
  6. DISPLAY CHECK MODE 

    HINT:

    Display Check Mode is operated as follows, see Fig 7. Also, see step  10.

    Fig 7: Display Check Mode Flow Chart
    G03138524Courtesy of © TOYOTA, LICENSE AGREEMENT TMS1002
  7. NAVIGATION CHECK MODE 

    HINT:

    Navigation Check Mode is operated as follows, see Fig 8. Also, see step  11.

    Fig 8: Navigation Check Mode Flow Chart
    G03138525Courtesy of © TOYOTA, LICENSE AGREEMENT TMS1002
  8. START-UP AND FINISHING OF THE DIAGNOSIS 

    HINT:

    Before starting the Diagnosis System, make sure that the map appears on the screen after turning on the IG switch.

    If not, some items cannot be checked.

    1. Diagnosis Start-up by light control switch.
      1. Vehicle speed should be 0 km/h (0 MPH).
      2. Apply the parking brake.
      3. Turn the ignition switch to ACC or ON.
      4. While pressing the "OPTION" switches on the Multi Display, turn the Light Control switch from OFF --> TAIL --> OFF --> TAIL --> OFF --> TAIL --> OFF.
        DISPLAY MODE DESCRIPTION

        Display Description
        Service Check By performing system check and collecting data of diagnosis memory, this mode checks the current and past condition of each connection device.
        Display Check It displays the Display Check on the screen.
        Navigation Check It displays the Navigation ECU Check on the screen.
        Fig 9: Locating OPTION Switch
        G03138526Courtesy of © TOYOTA, LICENSE AGREEMENT TMS1002

      HINT:

      • When Diagnosis System starts, Service Check screen is displayed and the service check begins.
      • Select MENU to display Diagnosis Check Menu.
        Fig 10: Locating Concealed Touch Switch
        G03138527Courtesy of © TOYOTA, LICENSE AGREEMENT TMS1002
    2. Diagnosis Start-Up by touch switch.
      1. Vehicle speed should be 0 km/h (0 MPH).
      2. Apply the parking brake.
      3. Turn the ignition switch to ACC or ON.
      4. Activate the screen adjustment screen.
      5. Alternately touch the upper and lower bottom parts of the left end of the screen 3 times.
    3. Finishing the Diagnosis System

      Turn the ignition switch off to finish the mode.

  9. SERVICE CHECK MODE 
    1. Service Check
      1. Start the Diagnosis System.
        DIAGNOSIS SYSTEM

        Display Item Function
        Components Name/*1 List of component names including optional components (15 components max.) are displayed. When the names are not identified, their physical addresses are displayed.
        Check Result/*2 Check results are displayed.
        Memory Clear switch/*3 Pressing this switch for 3 sec. deletes all the information about master component registration.
        DTC Clear switch/*4 Pressing this switch for 3 sec. deletes diagnosis memory of all the components.
        It deletes Service Check results and the screen displaying the check results.
        Recheck/*5 Pressing this switch performs Service Check again.
        MENU/*6 Pressing this switch activates the Diagnosis Menu screen.
        Fig 11: Display Service Check Mode Menu
        G03138528Courtesy of © TOYOTA, LICENSE AGREEMENT TMS1002

      HINT:

      Service Check displays the check results based on the information obtained from each component's response to "System Check Execution" and "Diagnosis Memory Request", and the information of "Current DTC Notification", the Unit Check and the LAN Check information that will be displayed on the next screens.

    2. Read Check Result
      SERVICE CHECK RESULT MEANING

      Check Result Meaning
      OK No DTC is identified.
      EXCH One or more DTC requesting for exchange are detected.
      CHEK One or more DTC requesting for check are detected.
      NCON No connection response to Diagnosis System start-up, whereas it has the connection response to the AVC LAN system when the power switch is turned on (when IG is turned to ACC).
      Old One or more DTC are detected because of old version.
      NRES No response to the information about the Diagnosis System, whereas it responds to the Diagnosis System start-up.

      HINT:

      • After repair and check, press "Code CLR" for more than 3 sec. to delete diagnosis memory.
      • After deleting diagnosis memory, press "Recheck" and make sure "OK" is displayed on the screen.
    3. "EXCH", "CHEK" and "Old" can be used as switches to activate "LAN Check Mode" and "Unit Check Mode" for detail information. Check troubled parts of the components in these modes by referring to the DTC code list.
      DISPLAY LAN CHECK DISPLAY ITEM AND DESCRIPTION

      Display Item Description
      Components name/*1 Names of components to be checked are displayed.
      Segment/*2 Logical address codes corresponding to DTC are displayed.
      DTC/*3 DTC is displayed.
      Sub-Code (address numbers of related components)/*4 Physical address codes memorized together with DTC are displayed.
      Sub-code (Connection confirmation number) /*5 Connection confirmation numbers memorized together with DTC are displayed.
      Sub-code (Number of occurrence) /*6 The number of occurrence of the same DTC is displayed.
      DTC clear switch/*7 Pressing this switch for 3 sec. deletes DTC memory of the selected diagnosis component.
      Service check mode screen switch/*8 Pressing this returns to the Service Check Mode screen.
      Unit check mode screen switch/*9 Pressing this switch activates the Unit Check Mode screen, which displays the logical address 01 with DTC 00 - CF and the logical addresses 10 and up with DTC 00 - FE.
      Date/Time/*10 The date and time stamped at the time of DTC occurrence are displayed in the order of year-month-day-hour-minute-second. (If the date and time data is invalid, it is displayed as a blank.)
      LAN Check mode screen switch/*11 Pressing this switch activates the LAN Check Mode screen, which displays the logical address 01 with DTC DO - FE.
      Current/ *12 Up to 6 DTC codes detected during the System Check are displayed.
      Memory/ *13 DTC memories stored and current DTC Notification are displayed.
      Fig 12: Display LAN Check Mode Menu
      G03138529Courtesy of © TOYOTA, LICENSE AGREEMENT TMS1002
      Fig 13: Display Unit Check Mode Menu
      G03138530Courtesy of © TOYOTA, LICENSE AGREEMENT TMS1002

    HINT:

    • Detecting Unit DTC activates the Unit Check Mode on the screen.
    • Detecting no LAN DTC activates the LAN Check Mode on the screen.
    • Use the displayed switch to change to the Unit Check Mode and the LAN Check Mode.
    • The LAN Check Mode chooses and displays the LAN DTC out of DTC of components identified as "CHEK" in the Service Check.
    • In the Unit Check Mode, DTC which is identified as "EHCK" in the Service Check, is displayed as classified into Current DTC and Past DTC.
      Fig 14: Display Check Menu
      G03138531Courtesy of © TOYOTA, LICENSE AGREEMENT TMS1002
  10. DISPLAY CHECK MODE 
    DISPLAY CHECK MODE CONTENTS

    Display Contents
    Color Bar Check/*1 Color display is checked.
    Touch Switch Check/*2 Operating condition of touch switch display is checked.
    Panel Switch Check/*3 Operating condition of switches on both sides of the display is checked.
    Vehicle Signal Check/*4 Status of the vehicle signal which has been loaded into the display is checked.

    HINT:

    In Display Check Mode, above checks can be performed.

    1. Display Color Bar Check
      1. Start the Diagnosis System.
      2. Select "MENU".
      3. Select "Display Check".
      4. Select "Color Bar Check".
      5. Make sure that each color name is corresponding to each color on the bar.

        HINT:

        Select Black, Red, Green, Blue, White and Stripe to display selected colors and stripe on the entire screen.

      6. Compare with the Color Bar Check in the Navigation Check and make sure that no difference is found.
        Fig 15: Displaying Color Bar Check Mode Menu
        G03138532Courtesy of © TOYOTA, LICENSE AGREEMENT TMS1002
    2. Display Touch Switch Check
      1. Start the Diagnosis system.
      2. Select "MENU".
      3. Select "Display Check".
      4. Select "Touch Switch Check".
      5. Touch the screen and make sure that every line reacts to the touch.

      HINT:

      After the Touch Switch Check for vertical lines, press "Next" to check horizontal lines.

      Fig 16: Displaying Touch Switch Check Mode Menu
      G03138533Courtesy of © TOYOTA, LICENSE AGREEMENT TMS1002
    3. Display Panel Switch Check
      1. Start the Diagnosis system.
      2. Select "MENU".
      3. Select "Display Check".
      4. Select "Panel Switch Check".
      5. Press each switch and make sure that it corresponds to the display on the screen.
      PANEL SWITCH CHECK - DATA & DESCRIPTION

      Display Data Description
      Names of push-button switches/*1 Names of push-button switches pressed are displayed.
      Pressing 2 or more push-button switches is displayed as "MULTIPLE".
      After that if the number of push-button switches being pressed becomes 1, the name of the push-button switch being pressed is displayed.
      Disp MENU Pressing this switch activates Display Check Menu.
      Fig 17: Displaying Panel Switch Check Mode Menu
      G03138534Courtesy of © TOYOTA, LICENSE AGREEMENT TMS1002
    4. Display Vehicle Signal Check
      1. Start the Diagnosis system.
      2. Select "MENU".
      3. Select "Display Check".
      4. Select "Vehicle Signal Check".
      5. Check the status of the vehicle signal (Battery, IG, PKB, SPEED, TAIL) loaded into the display.

      HINT:

      Vehicle signal data is updated every second.

      Fig 18: Displaying Vehicle Signal Check Mode Menu
      G03138535Courtesy of © TOYOTA, LICENSE AGREEMENT TMS1002
  11. NAVIGATION CHECK MODE 
    NAVIGATION CHECK MODE - DISPLAY & DESCRIPTION

    Display Description
    GPS Information/*1 Information related to GPS is displayed, updated every 1 second.
    Vehicle Sensors/*2 Vehicle signal information to be loaded in the Navigation ECU is displayed, updated every 1 second.
    Color Bar Check/*3 Color display of the Navigation ECU is checked. (Compare with the Color Bar Check results in the Display Check.)
    Microphone Check/*4 Microphone is checked.
    Fig 19: Display Navigation Check Mode Menu
    G03138536Courtesy of © TOYOTA, LICENSE AGREEMENT TMS1002

    HINT:

    • In the Navigation Check mode, the checks mentioned above can be conducted.
    • The Navigation ECU operates each Navigation Check screen.
    1. GPS Information
      1. Start the Diagnosis system.
      2. Select "MENU".
      3. Select "Navigation Check".
      4. Select "GPS Information".
      5. Check the GPS-related information.
        GPS INFORMATION - DATA & DESCRIPTION

        Display Data Description
        Satellite Information/*1 "Angle of elevation", "Azimuth", "Level of Signal" and "Status of Wave Reception" of the Satellite captured by the antenna are displayed (for 8 satellites max.)
        Position Data/*2 The latitude and longitude of the current position are displayed in degree, minute and second.
        Time Data/*3 Date and time data obtained from the GPS receiver is displayed.
        Fig 20: Display GPS Information Menu
        G03138537Courtesy of © TOYOTA, LICENSE AGREEMENT TMS1002
      GPS INFORMATION - MEASUREMENT STATUS: /*4

      Display Conditions
      2D Measurement on 2 dimensions
      3D Measurement on 3 dimensions
      NG GPS information cannot be used.
      Error Reception error occurs.
      - Other than the above
    2. Vehicle Sensors
      1. Start the Diagnosis system.
      2. Select "MENU".
      3. Select "Navigation Check".
      4. Select "Vehicle sensors".
      5. Check the vehicle signals (ACC, REV, SPD) and the output signal of the gyro sensor introduced into the navigation ECU.
      VEHICLE SENSORS & DISPLAY METHOD

      Items Display Method
      ACC signal status Displayed as ON/OFF.
      REV signal status Displayed as ON/OFF
      SPD signal status The cumulative value of input pulse count and the vehicle speed [km/h] [mph] are displayed. [The cumulative value of input pulse count is set to be 0 when this screen is displayed. When the vehicle starts to drive, it is counted and displayed continually.]
      Output signal of the gyro sensor Voltage [V] and relative azimuthal angle [degree] are displayed. [The position of the vehicle when this screen is displayed is set to be 0 degree in azimuth. Based on this, relative azimuthal angle is measured and displayed continually.]
      Fig 21: Displaying Vehicle Sensors Menu
      G03138538Courtesy of © TOYOTA, LICENSE AGREEMENT TMS1002
    3. Navigation Color Bar Check
      1. Start the Diagnosis system.
      2. Select "MENU".
      3. Select "Navigation Check".
      4. Select "Color Bar Check".
      5. Make sure that the set color matches the display color.
      6. Compare with the Color Bar Check in the Display Check and make sure that no difference is found.
        Fig 22: Displaying Navigation Color Bar Check Menu
        G03138539Courtesy of © TOYOTA, LICENSE AGREEMENT TMS1002
    4. Microphone Check

      HINT:

      Although this check screen is displayed, it cannot be operated.

      1. Start the Diagnosis system.
      2. Select "MENU".
      3. Select "Navigation Check".
      4. Select "Microphone Check".
      5. Check the PIT switch and the voice recognition.
      MICROPHONE CHECK MODE

      Items Description
      PTT switch/* 1 After making sure that the PTT switch is ON, it displays "OK" on the screen.
      Voice Recognition/*2 After making sure that the PTT switch is ON, it conducts the voice recognition check. When the equipment is ready for voice recognition, it makes beep sound. It waits for yes/no natural voice.
      Recognition Result/*3 After recognizing the voice, it highlights the yes/no bottom and displays "OK" on the screen.
      Fig 23: Displaying Microphone Check Mode Menu
      G03138540Courtesy of © TOYOTA, LICENSE AGREEMENT TMS1002

      HINT:

      When a human voice cannot be recognized by the equipment for more than 7 seconds after it gets ready for voice recognition, it displays ERROR on the Voice Recognition section, and goes back to the state before pressing the PTT switch.

  12. CELLULAR MOBILE PHONE 
    1. Characteristics of Cellular Mobile Phone
      CELLULAR MOBILE PHONE CHARACTERISTICS

      Phenomena Cause
      Unable to send and receive radio waves. 5. The vehicle is in a place with difficulty of receiving radio waves such as behind the buildings, in mountainous areas, tunnels and parking areas. (The out-of-range lamp lights.)
      6. The vehicle is outside the service area with no radio zone. (The out-of-range lamp lights.)
      7. Failed to install the antenna. (The out-of-range lamp lights.)
      Unable only to send radio waves.
      1. If a cellular mobile phone is set for dial lock.
      Noise is heard when calling.
      1. The vehicle has moved to a place with difficulty of receiving radio waves such as behind the buildings or inside the tunnels.
      2. The vehicle has moved across the border of radio zones. When the vehicle moves to another radio zone, the dial circuit needs to be changed. When the vehicle speed is 0 km/h, it automatically changes the dial circuit to prevent tapping, and a call can be disconnected for about 1 second in this moment. It can also be disconnected when no vacant channel is found in the radio zone where the vehicle has moved.
      Strange noise is heard from receivers or speakers.
      1. Optional equipment such as the radar tracer is being installed.

      It can make unusual sound when the magnetic wave from the optional equipment overlaps the dial circuit.

      HINT:

      "Preparation for sending out radio waves" has the following process.

      Picking up the receiver (turning on the phone switch) sends out the dial signal to the Radio Circuit Control Center.

      The center chooses the radio base of the highest-sensitivity in receiving the dial signal.

      It also makes a telecommunication circuit by choosing a vacant channel out of many.

      This process is called "Preparation for Sending out Radio Waves".

    2. Before troubleshooting, check the following points:
      1. Troubles should be checked where the cellular mobile phone can receive enough radio wave.
      2. Troubles occur even with different cellular mobile phones (even with different telephone companies, if possible).
      3. Battery life of the cellular mobile phone and its recharge state must be in good condition.
      4. The antenna of the cellular mobile phone should be stuck out.
      5. Troubles occur even when the cellular mobile phone is formatted.

    HINT:

    • When it is formatted, the data and the registration of telephone numbers in the cellular mobile phone will be deleted.
    • The member ID and the password need to be reentered.