lemon-mirror:
Home >> Lexus >> 2002 >> GS 430 >> Repair and Diagnosis >> Brakes >> Traction Control >> Anti-Lock >> Diagnostic Trouble Code Definitions >> DTC C0200 - C0215 >> Testing Procedure

Testing Procedure

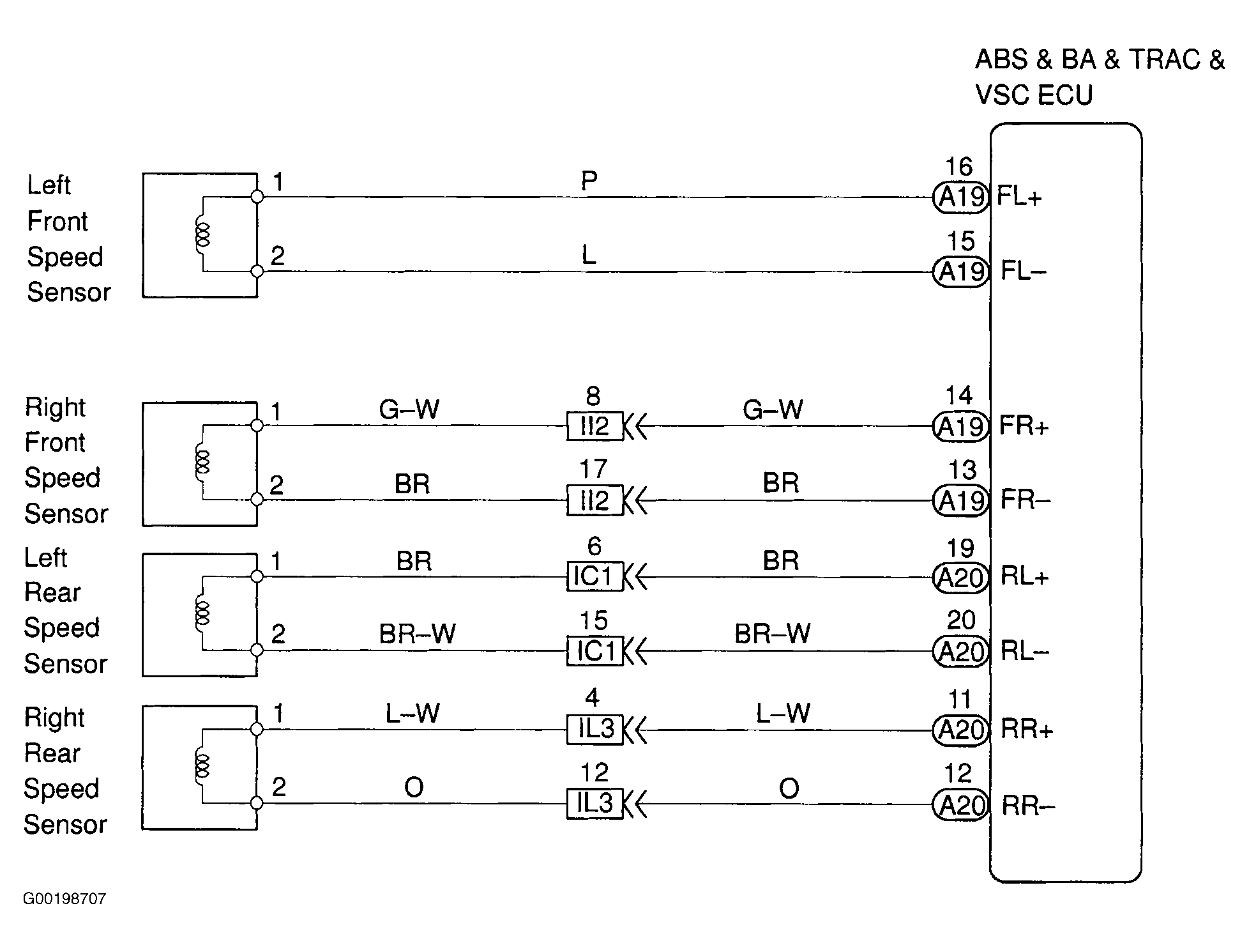
For wiring diagram, see Fig 1. For testing procedure, see Fig 2-Fig 5 .

Fig 1: Wiring Diagram Speed Sensor Circuit
G00198707Courtesy of © TOYOTA, LICENSE AGREEMENT TMS1002
Fig 2: Testing Procedure Speed Sensor Circuit (1 Of 4)
G00198708Courtesy of © TOYOTA, LICENSE AGREEMENT TMS1002
Fig 3: Testing Procedure Speed Sensor Circuit (2 Of 4)
G00198709Courtesy of © TOYOTA, LICENSE AGREEMENT TMS1002
Fig 4: Testing Procedure Speed Sensor Circuit (3 Of 4)
G00198557Courtesy of © TOYOTA, LICENSE AGREEMENT TMS1002
Fig 5: Testing Procedure Speed Sensor Circuit (4 Of 4)
G00198710Courtesy of © TOYOTA, LICENSE AGREEMENT TMS1002