lemon-mirror:
Home >> Lexus >> 2002 >> IS 300 Base, Automatic >> Repair and Diagnosis >> Brakes >> Traction Control >> Anti-Lock >> Diagnostic Trouble Code Definitions >> DTC C1225-C1227 >> Testing Procedure

Testing Procedure

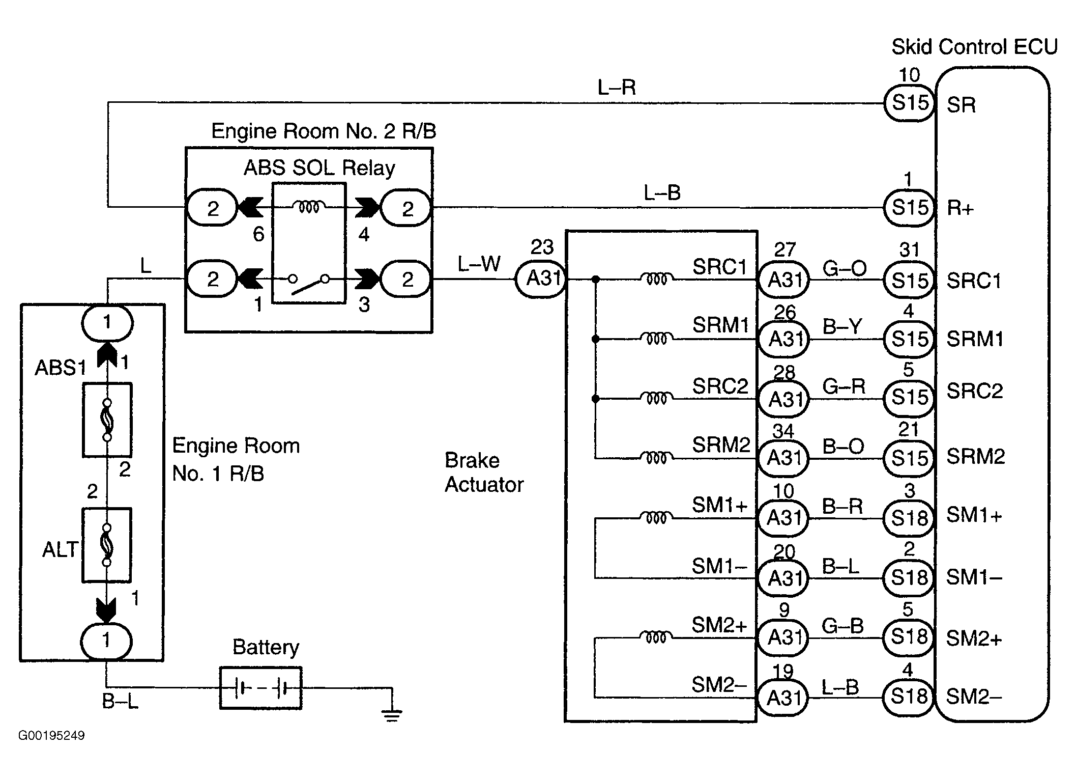
For wiring diagram, see Fig 1. For testing procedure, see Fig 2.

Fig 1: Wiring Diagram TRAC & VSC Related Solenoid Circuit
G00195249Courtesy of © TOYOTA, LICENSE AGREEMENT TMS1002
Fig 2: Testing Procedure TRAC & VSC Related Solenoid
G00195250Courtesy of © TOYOTA, LICENSE AGREEMENT TMS1002