lemon-mirror:
Home >> Lexus >> 2002 >> IS 300 Base, Automatic >> Repair and Diagnosis >> Brakes >> Traction Control >> Anti-Lock >> Diagnostic Trouble Code Definitions >> DTC C1241 >> Testing Procedure

Testing Procedure

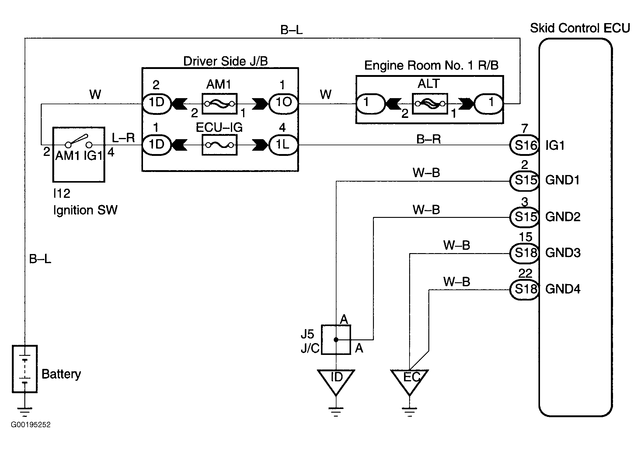
For wiring diagram, see Fig 1. For testing procedure, see Fig 2 and Fig 3 .

Fig 1: IG Power Source Circuit
G00195252Courtesy of © TOYOTA, LICENSE AGREEMENT TMS1002
Fig 2: Testing Procedure IG Power Source (1 Of 2)
G00195253Courtesy of © TOYOTA, LICENSE AGREEMENT TMS1002
Fig 3: Testing Procedure IG Power Source (2 Of 2)
G00195254Courtesy of © TOYOTA, LICENSE AGREEMENT TMS1002