lemon-mirror:
Home >> Lexus >> 2002 >> LS 430 >> Repair and Diagnosis >> Brakes >> Traction Control >> Anti-Lock Brake System >> System Testing >> Test F: TC Terminal Circuit >> Testing Procedure

Testing Procedure

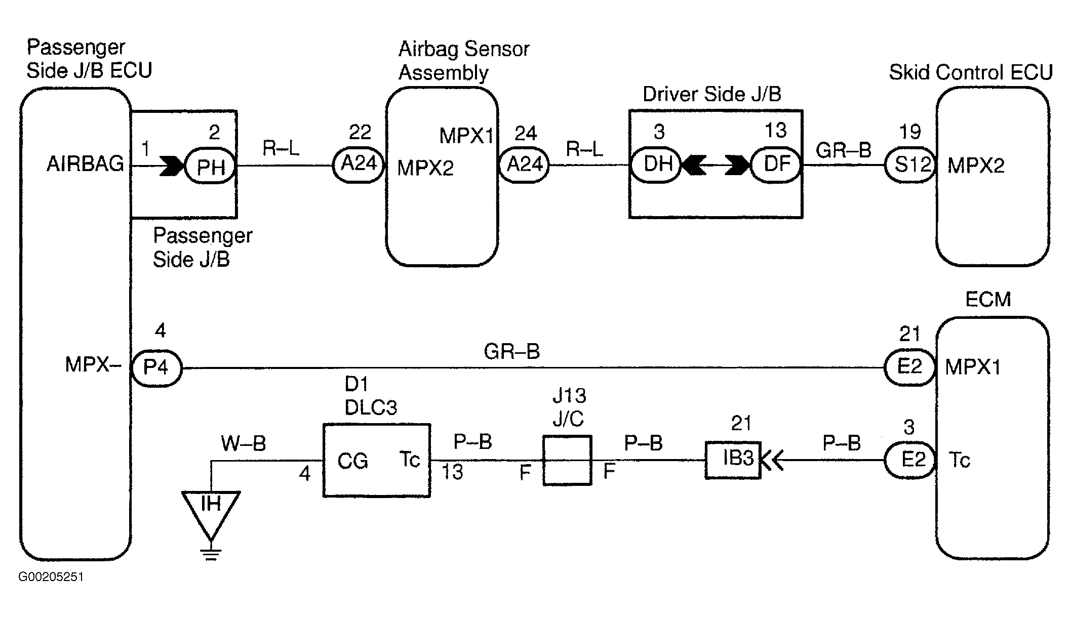
For wiring diagram see Fig 1. For testing procedure see Fig 2.

Fig 1: Tc Terminal Circuit Wiring Diagram
G00205251Courtesy of © TOYOTA, LICENSE AGREEMENT TMS1002
Fig 2: Testing Procedure Tc Terminal Circuit
G00205252Courtesy of © TOYOTA, LICENSE AGREEMENT TMS1002