lemon-mirror:
Home >> Lexus >> 2002 >> LS 430 >> Repair and Diagnosis >> External Pages >> Different car >> Section 545 (Window Defogger System) >> System Diagram >> Notes

System Diagram: Notes

WARNING: This page is about a different car, the 2004 Lexus LS 430. However, it is still accessible from the selected car via links, so may be relevant.
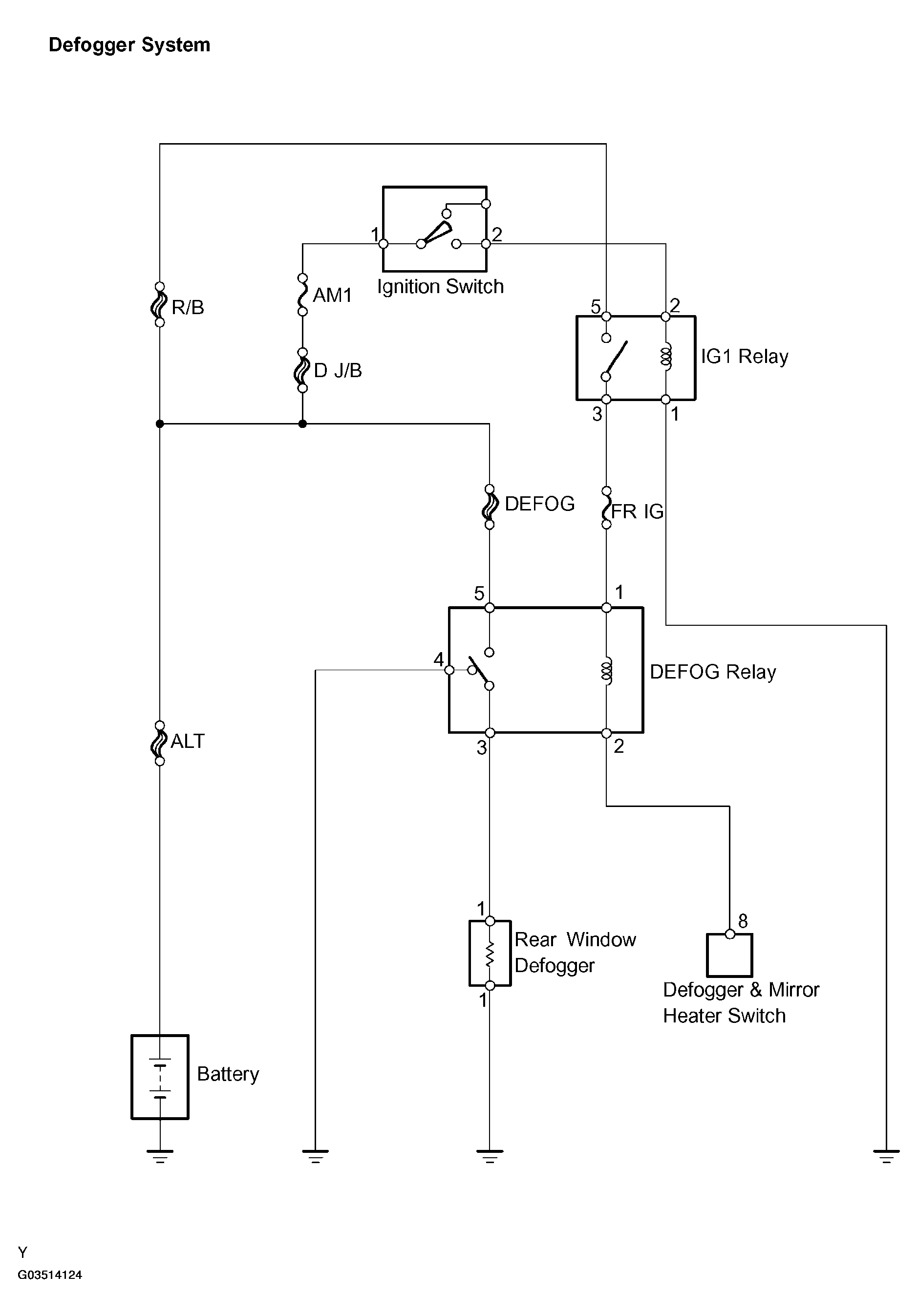
Fig 1: Window Defogger System Diagram (1 Of 2)
G03514124Courtesy of © TOYOTA, LICENSE AGREEMENT TMS1002
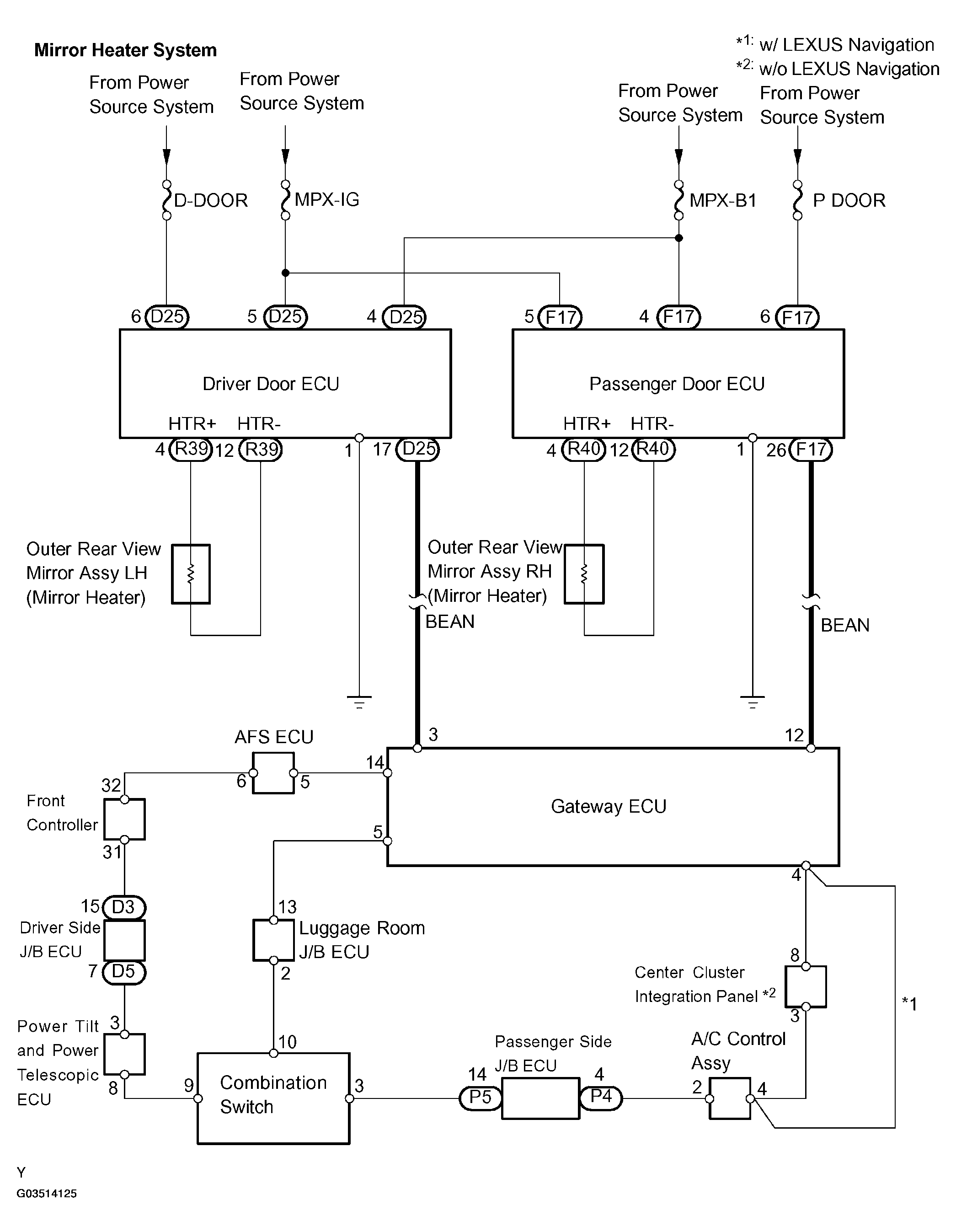
Fig 2: Window Defogger System Diagram (2 Of 2)
G03514125Courtesy of © TOYOTA, LICENSE AGREEMENT TMS1002