lemon-mirror:
Home >> Lexus >> 2002 >> LX 470 >> Repair and Diagnosis >> Brakes >> Traction Control >> Anti-Lock/Vehicle Skid Control >> Diagnostic Trouble Code Definitions >> DTC C1203 >> Testing Procedure

Testing Procedure

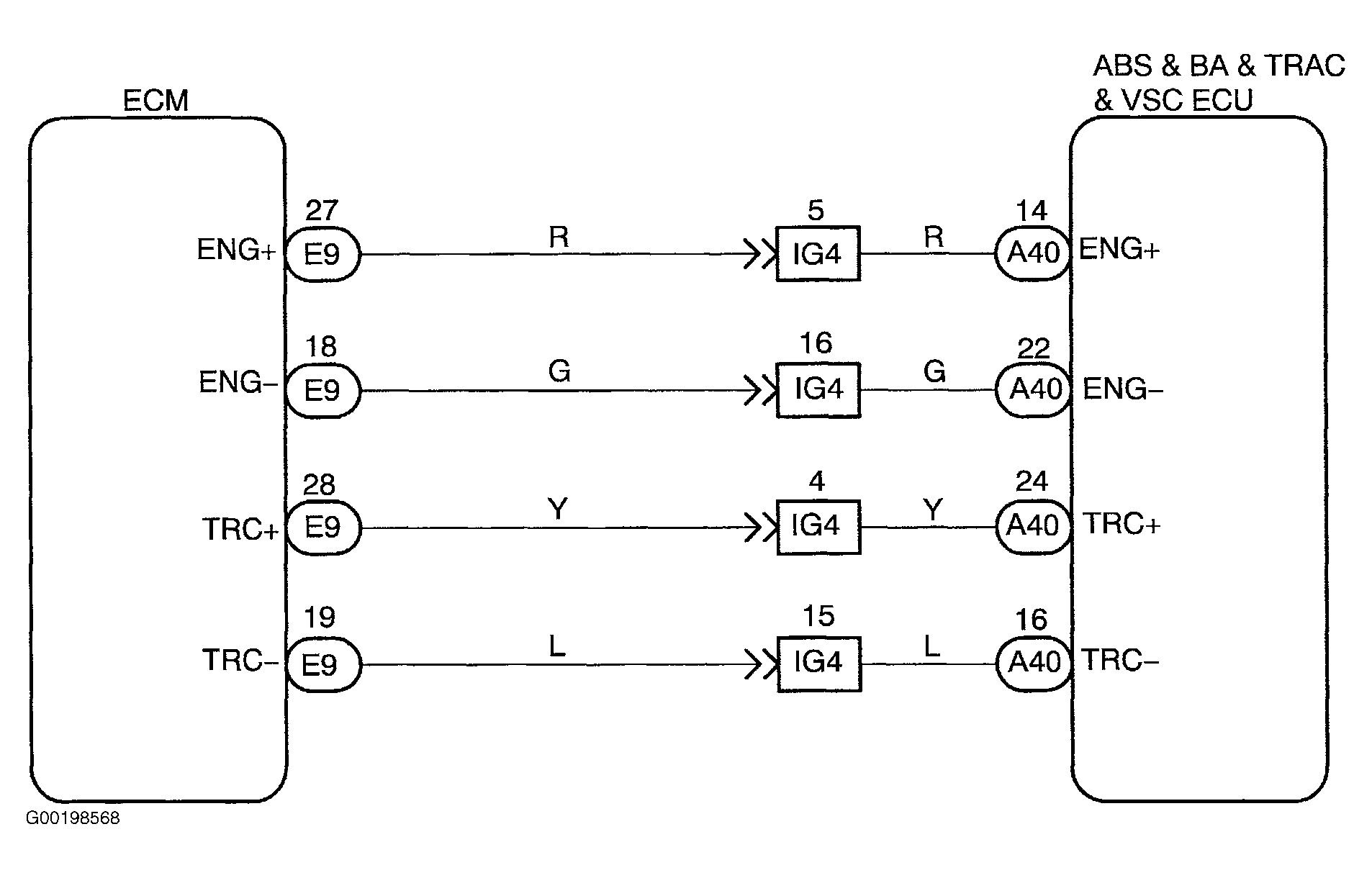
For wiring diagram, see Fig 1. For testing procedure, see Fig 2.

Fig 1: Wiring Diagram ECM Communication Circuit
G00198568Courtesy of © TOYOTA, LICENSE AGREEMENT TMS1002
Fig 2: Testing Procedure ECM Communication Circuit
G00198569Courtesy of © TOYOTA, LICENSE AGREEMENT TMS1002