lemon-mirror:
Home >> Lexus >> 2002 >> LX 470 >> Repair and Diagnosis >> Brakes >> Traction Control >> Anti-Lock/Vehicle Skid Control >> Diagnostic Trouble Code Definitions >> DTC C1231 >> Testing Procedure

Testing Procedure

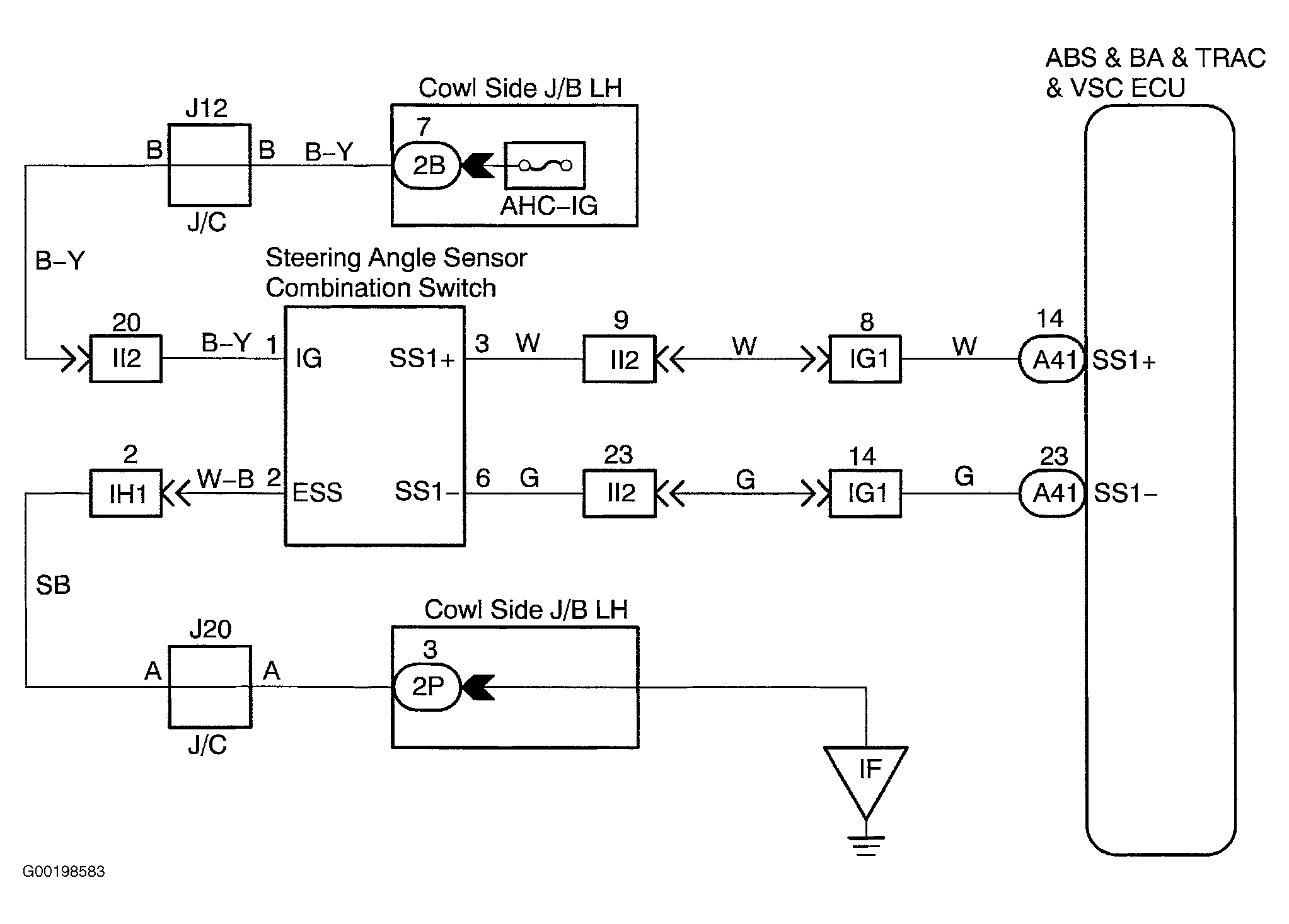
For wiring diagram, see Fig 1. For testing procedure, see Fig 2 - Fig 4 .

Fig 1: Wiring Diagram Steering Angle Sensor Circuit
G00198583Courtesy of © TOYOTA, LICENSE AGREEMENT TMS1002
Fig 2: Testing Procedure Steering Angle Sensor Circuit (1 Of 3)
G00198584Courtesy of © TOYOTA, LICENSE AGREEMENT TMS1002
Fig 3: Testing Procedure Steering Angle Sensor Circuit (2 Of 3)
G00198585Courtesy of © TOYOTA, LICENSE AGREEMENT TMS1002
Fig 4: Testing Procedure Steering Angle Sensor Circuit (3 Of 3)
G00198586Courtesy of © TOYOTA, LICENSE AGREEMENT TMS1002