lemon-mirror:
Home >> Lexus >> 2002 >> LX 470 >> Repair and Diagnosis >> Brakes >> Traction Control >> Anti-Lock/Vehicle Skid Control >> Diagnostic Trouble Code Definitions >> DTC C1257 >> Testing Procedure

Testing Procedure

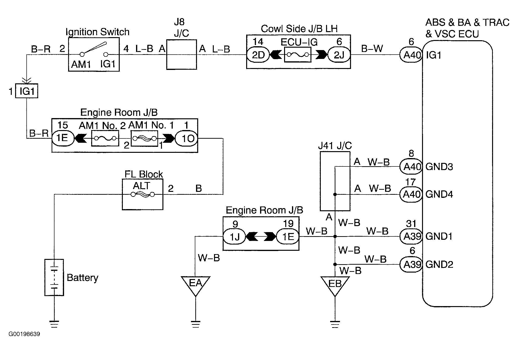
For wiring diagram, see Fig 1. For testing procedure, see Fig 2 & Fig 3 .

Fig 1: Wiring Diagram Power Supply Drive Circuit
G00198639Courtesy of © TOYOTA, LICENSE AGREEMENT TMS1002
Fig 2: Testing Procedure Power Supply Drive Circuit (1 Of 2)
G00198640Courtesy of © TOYOTA, LICENSE AGREEMENT TMS1002
Fig 3: Testing Procedure Power Supply Drive Circuit (2 Of 2)
G00198641Courtesy of © TOYOTA, LICENSE AGREEMENT TMS1002