lemon-mirror:
Home >> Lexus >> 2002 >> LX 470 >> Repair and Diagnosis >> Brakes >> Traction Control >> Anti-Lock/Vehicle Skid Control >> System Testing >> Test E: Brake Warning Light Circuit >> Testing Procedure

Testing Procedure

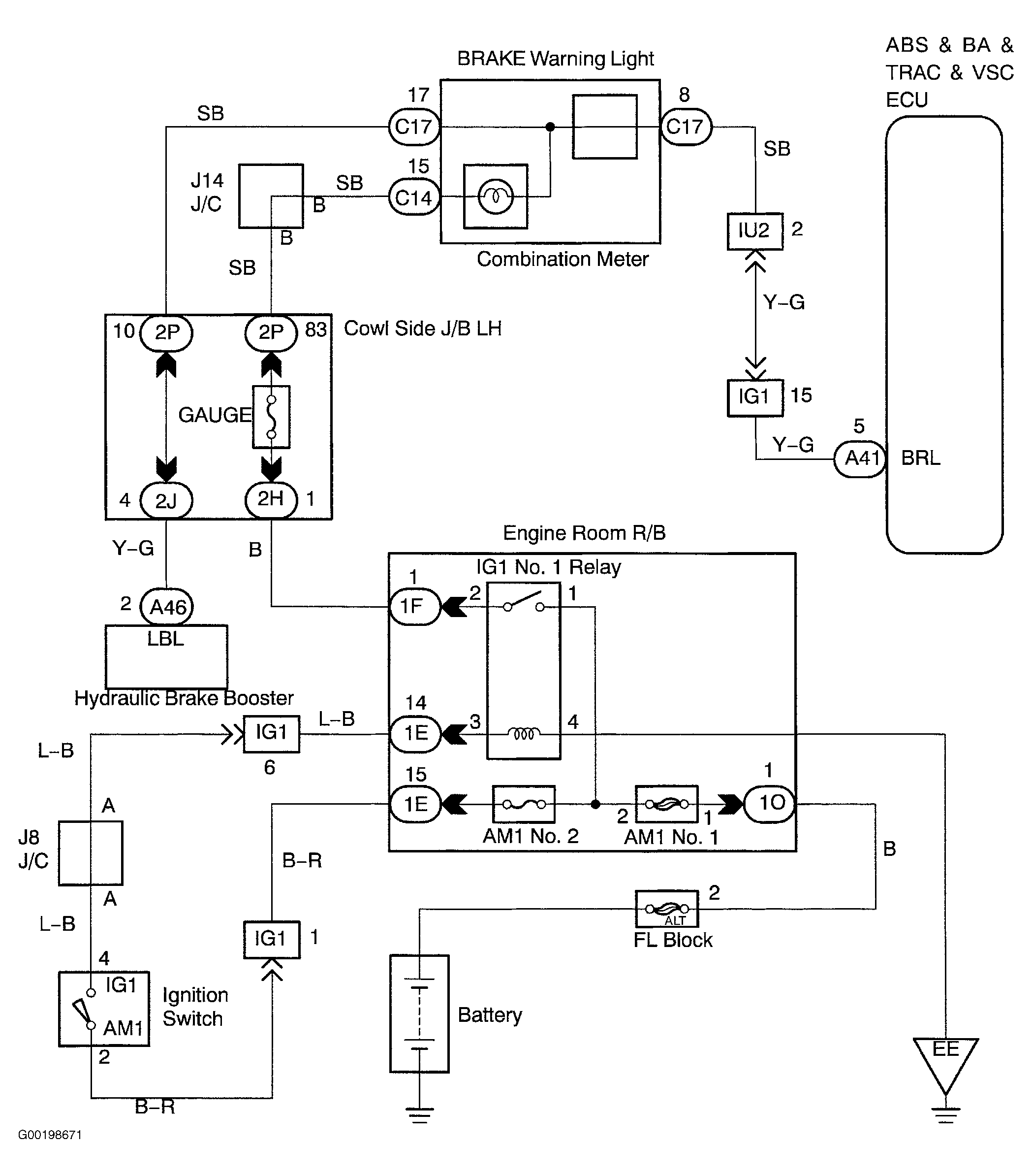
For wiring diagram, see Fig 1. For testing procedure, see Fig 2 - Fig 4 .

Fig 1: Wiring Diagram BRAKE Warning Light Circuit
G00198671Courtesy of © TOYOTA, LICENSE AGREEMENT TMS1002
Fig 2: Testing Procedure BRAKE Warning Light Circuit (1 Of 3)
G00198672Courtesy of © TOYOTA, LICENSE AGREEMENT TMS1002
Fig 3: Testing Procedure BRAKE Warning Light Circuit (2 Of 3)
G00198673Courtesy of © TOYOTA, LICENSE AGREEMENT TMS1002
Fig 4: Testing Procedure BRAKE Warning Light Circuit (3 Of 3)
G00198674Courtesy of © TOYOTA, LICENSE AGREEMENT TMS1002