lemon-mirror:
Home >> Lexus >> 2002 >> RX 300 FWD >> Repair and Diagnosis >> Brakes >> Traction Control >> Anti-Lock >> Diagnostic Trouble Code Definitions >> DTC C1207 >> Testing Procedure

Testing Procedure

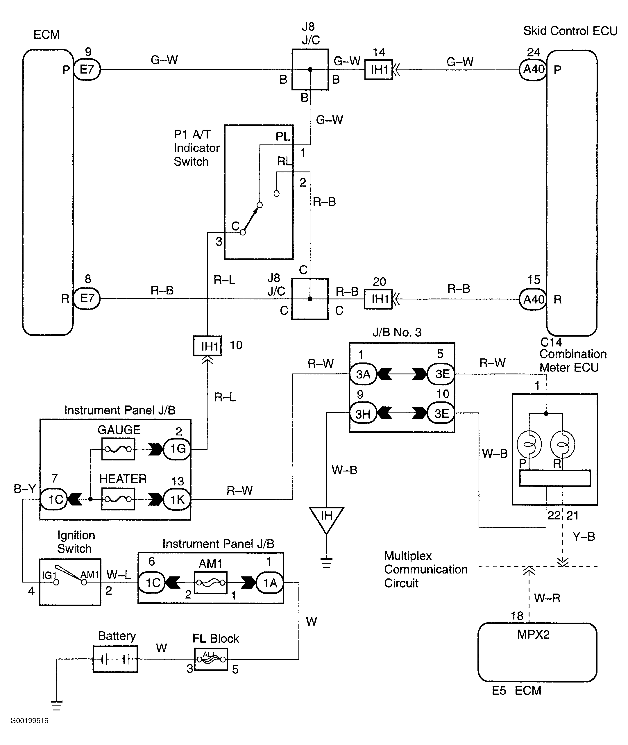
For wiring diagram, see Fig 1. For testing procedure, see Fig 2.

Fig 1: Wiring Diagram Park/Neutral Position Switch
G00199519Courtesy of © TOYOTA, LICENSE AGREEMENT TMS1002
Fig 2: Testing Procedure Park/Neutral Position Switch
G00199520Courtesy of © TOYOTA, LICENSE AGREEMENT TMS1002