lemon-mirror:
Home >> Lexus >> 2002 >> RX 300 FWD >> Repair and Diagnosis >> Brakes >> Traction Control >> Anti-Lock >> System Testing >> Test E: TC Terminal Circuit >> Testing Procedure

Testing Procedure

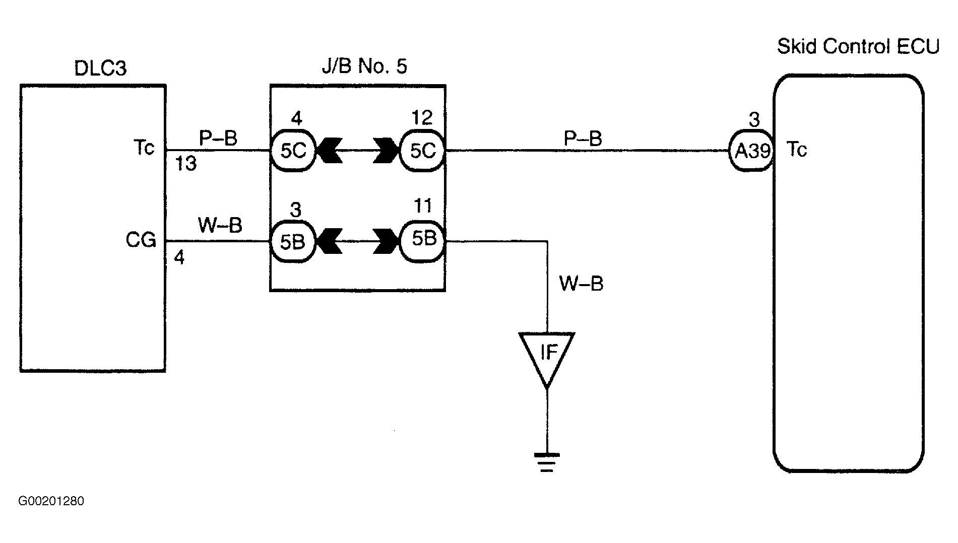
For wiring diagram, see Fig 1. For testing procedure, see Fig 2.

Fig 1: Wiring Diagram Tc Terminal Circuit
G00201280Courtesy of © TOYOTA, LICENSE AGREEMENT TMS1002
Fig 2: Testing Procedure Tc Terminal Circuit
G00201281Courtesy of © TOYOTA, LICENSE AGREEMENT TMS1002