lemon-mirror:
Home >> Lexus >> 2002 >> SC 430 >> Repair and Diagnosis >> Brakes >> Traction Control >> Anti-Lock Brake System >> System Testing >> Test F: Slip Indicator Light Circuit >> Testing Procedure

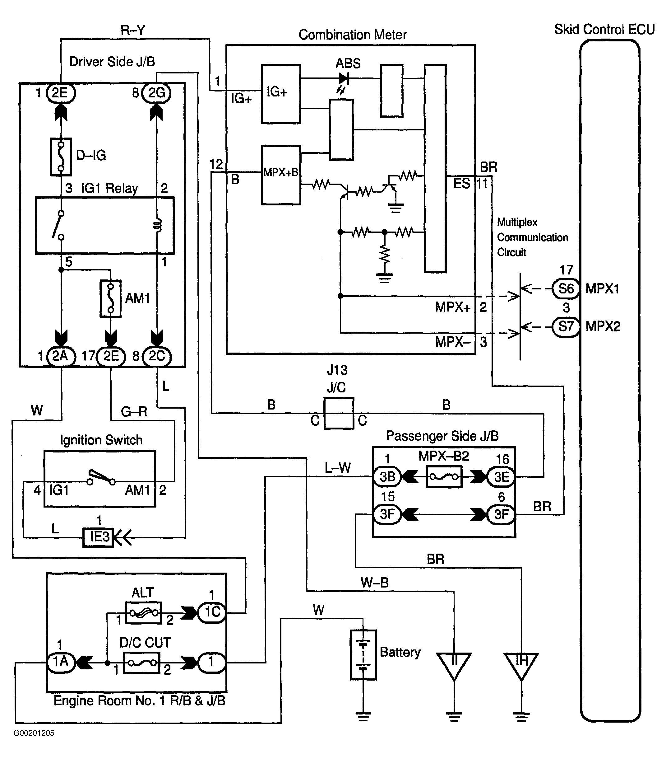
Testing Procedure

For wiring diagram see Figure. For testing procedure see Fig 1.

Fig 1: Testing Procedure SLIP Indicator Light Circuit
G00201214Courtesy of © TOYOTA, LICENSE AGREEMENT TMS1002