lemon-mirror:
Home >> Lexus >> 2003 >> LS 430 >> Repair and Diagnosis >> Electrical >> Gauges >> Combination Meter >> Circuit

Combination Meter: Circuit

Fig 1: Identifying Circuit Connector Terminals
G03376905Courtesy of © TOYOTA, LICENSE AGREEMENT TMS1002
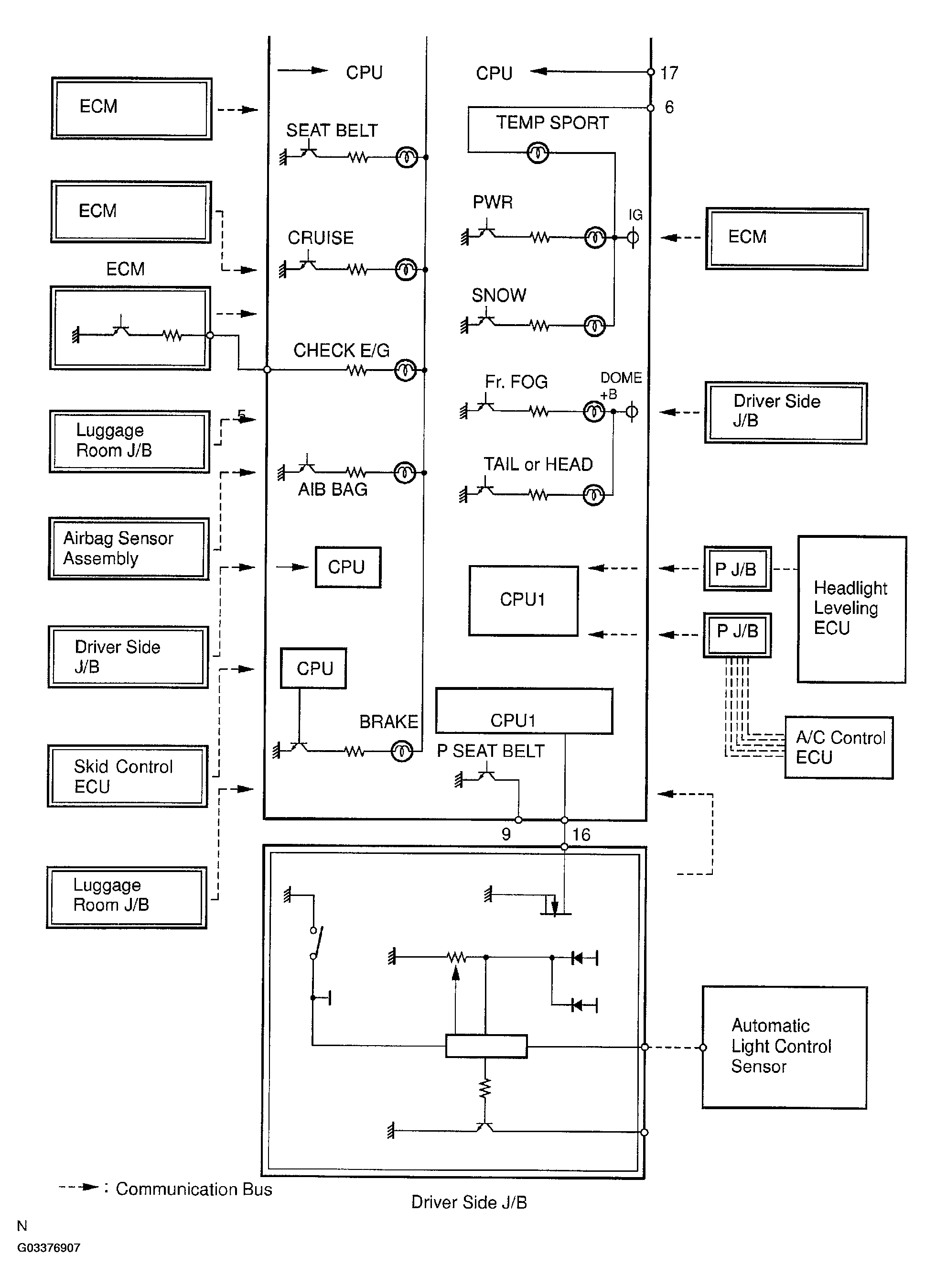
Fig 2: Circuit Diagram (1 Of 2)
G03376906Courtesy of © TOYOTA, LICENSE AGREEMENT TMS1002
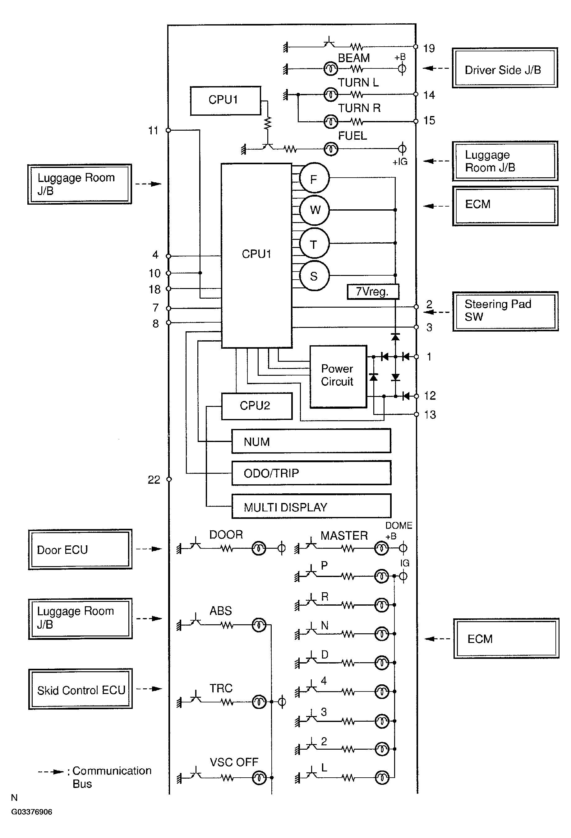
Fig 3: Circuit Diagram (2 Of 2)
G03376907Courtesy of © TOYOTA, LICENSE AGREEMENT TMS1002
CONNECTOR TERMINALS DESCRIPTION

No. Wiring connector side
1 (IG+) GAUGE Fuse
2 (MPX+) Gateway ECU
3 (MPX-) Skid Control ECU
4(S) ECM
5 (CHK) ECM
6 (TEMS) Air Suspension ECU
7(A/B) Trip Switch
8 (TRIP) Trip Switch
9 (PBLT) (1). Multi Display (2). Clock
10 (SE) Trip Switch
11 (ES) Ground
12 (B) MPXB2Fuse
13 (B) DOME Fuse
14 (B) Turn Signal Switch LH
15(B) Turn Signal Switch RH
16 (ILL-) Driver Side J/B
17(H) Air Suspension ECU
18 (SI) Skid Control ECU
19(+S) Multi Display, Stereo Component Amplifier
20 -
21 -
22 (E2) Ground
(1) w/ LEXUS navigation system
(2) w/o LEXUS navigation system