lemon-mirror:
Home >> Lexus >> 2003 >> LX 470 >> Repair and Diagnosis >> Electrical >> Gauges >> Combination Meter >> Circuit

Combination Meter: Circuit

Fig 1: Identifying Circuit Diagram Combination Meter (1 Of 4)
G03375500Courtesy of © TOYOTA, LICENSE AGREEMENT TMS1002
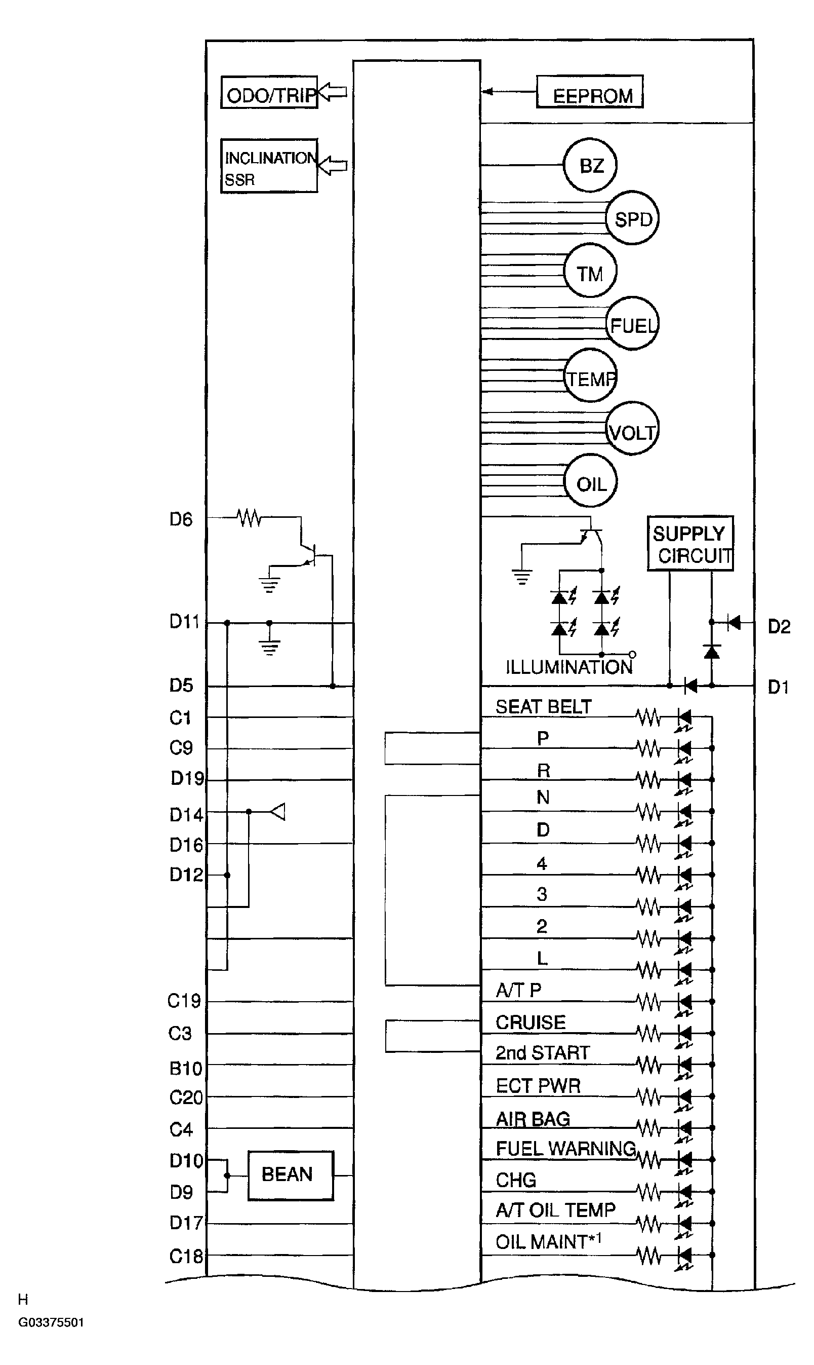
Fig 2: Identifying Circuit Diagram Combination Meter (2 Of 4)
G03375501Courtesy of © TOYOTA, LICENSE AGREEMENT TMS1002
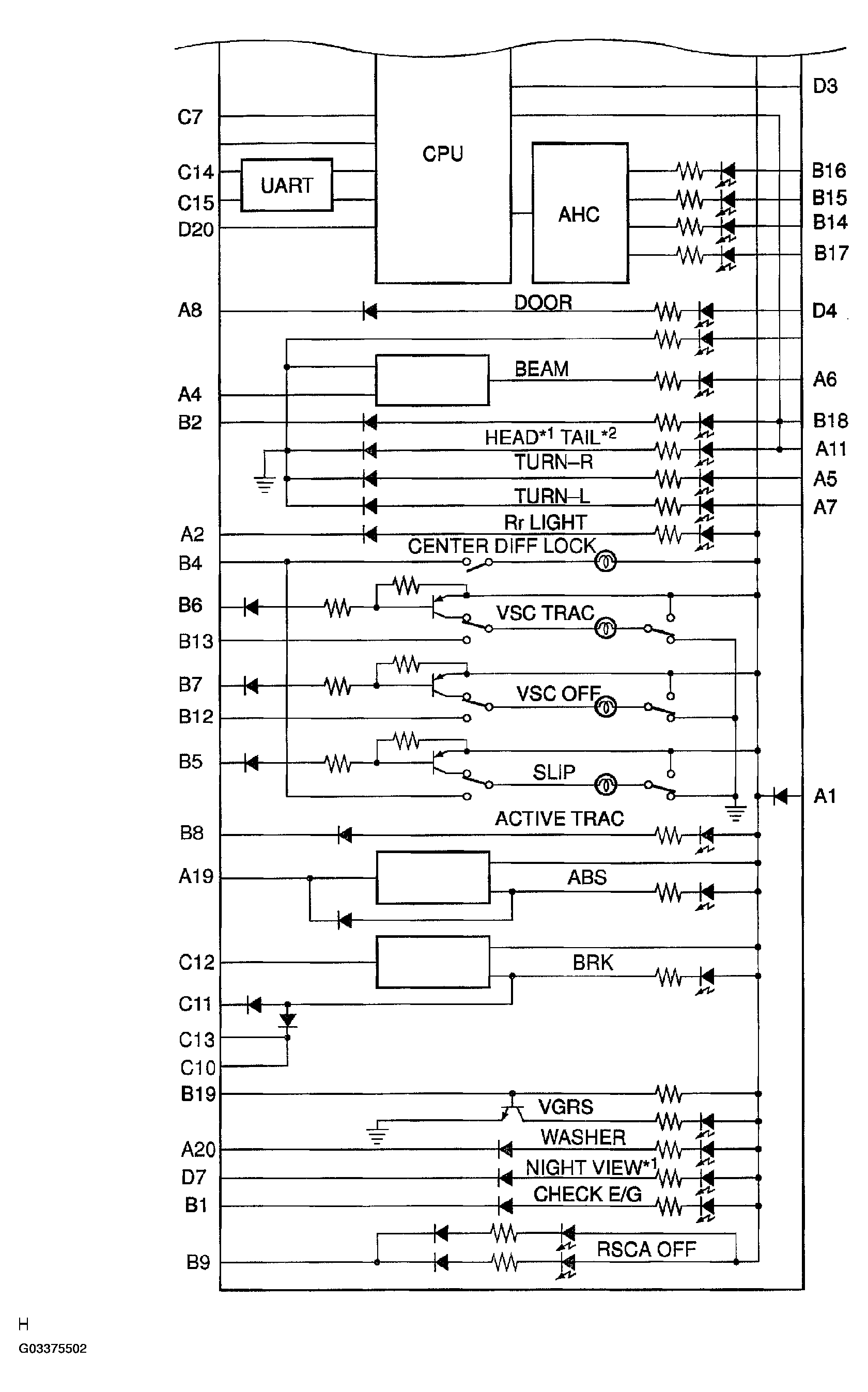
Fig 3: Identifying Circuit Diagram Combination Meter (3 Of 4)
G03375502Courtesy of © TOYOTA, LICENSE AGREEMENT TMS1002
Fig 4: Identifying Circuit Diagram Combination Meter (4 Of 4)
G03375503Courtesy of © TOYOTA, LICENSE AGREEMENT TMS1002