lemon-mirror:
Home >> Lexus >> 2004 >> LS 430 >> Repair and Diagnosis >> Body & Frame >> Mirrors >> Power Mirror Control System >> System Diagram

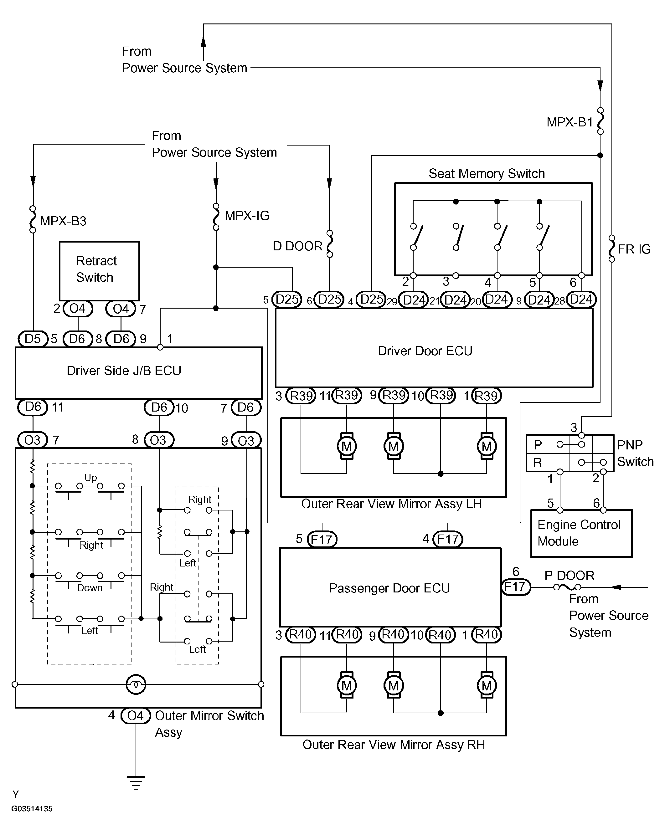
System Diagram

Fig 1: Power Mirror Control System Diagram
G03514135Courtesy of © TOYOTA, LICENSE AGREEMENT TMS1002