lemon-mirror:
Home >> Lexus >> 2004 >> LS 430 >> Repair and Diagnosis >> Engine Performance >> System >> SFI System - Diagnosis >> System Diagram

System Diagram

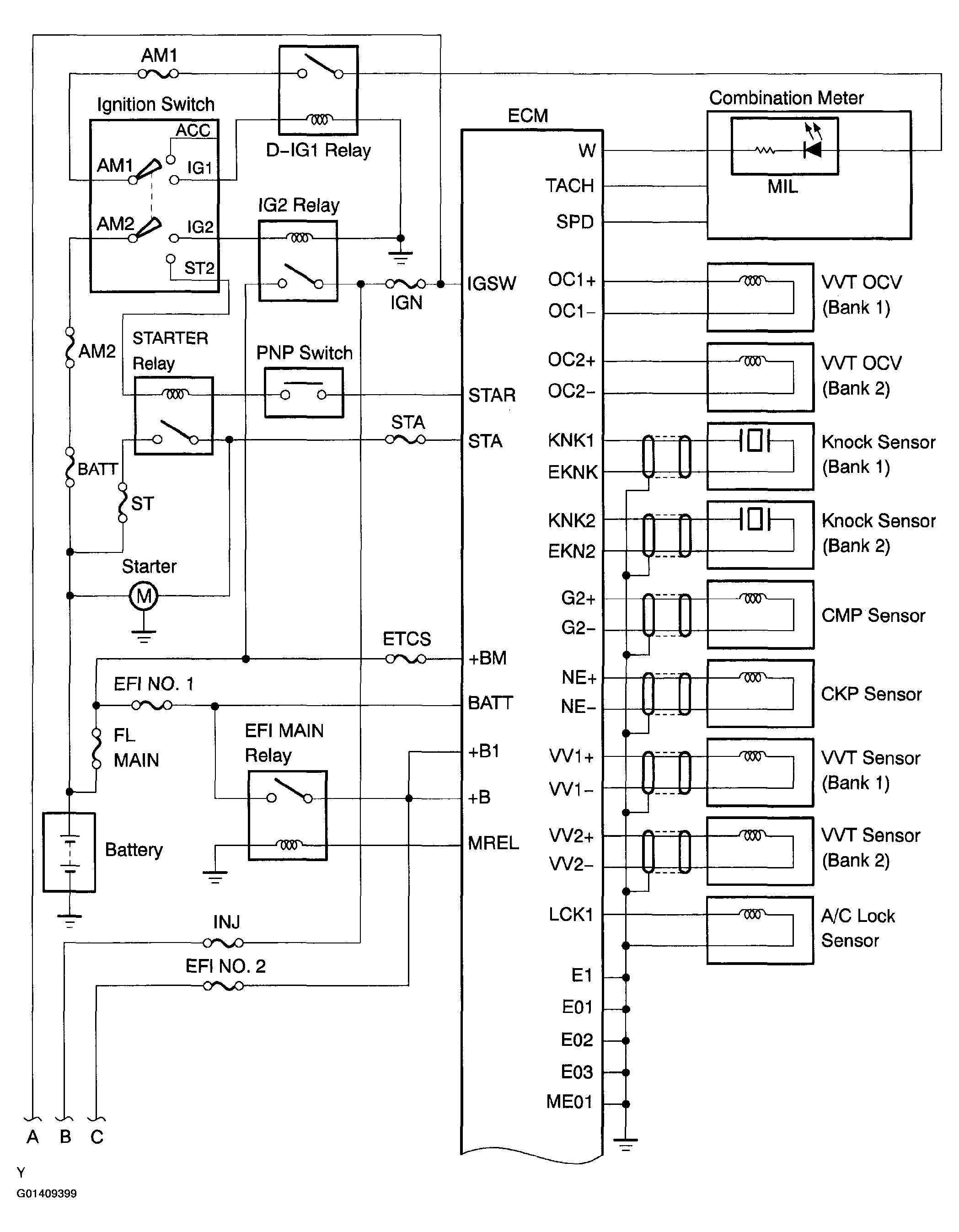
Fig 1: Identifying System Diagram (1 Of 3)
G01409399Courtesy of © TOYOTA, LICENSE AGREEMENT TMS1002
Fig 2: Identifying System Diagram (2 Of 3)
G01409400Courtesy of © TOYOTA, LICENSE AGREEMENT TMS1002
Fig 3: Identifying System Diagram (3 Of 3)
G01409401Courtesy of © TOYOTA, LICENSE AGREEMENT TMS1002