lemon-mirror:
Home >> Lexus >> 2004 >> LX 470 >> Repair and Diagnosis >> Engine Performance >> Adjustment >> Engine Mechanical >> Engine Unit >> Components

Engine Unit: Components

Fig 1: Identifying Engine Unit Components (1 Of 7)
G00914033Courtesy of © TOYOTA, LICENSE AGREEMENT TMS1002
Fig 2: Identifying Engine Unit Components (2 Of 7)
G00914034Courtesy of © TOYOTA, LICENSE AGREEMENT TMS1002
Fig 3: Identifying Engine Unit Components (3 Of 7)
G00914035Courtesy of © TOYOTA, LICENSE AGREEMENT TMS1002
Fig 4: Identifying Engine Unit Components (4 Of 7)
G00914036Courtesy of © TOYOTA, LICENSE AGREEMENT TMS1002
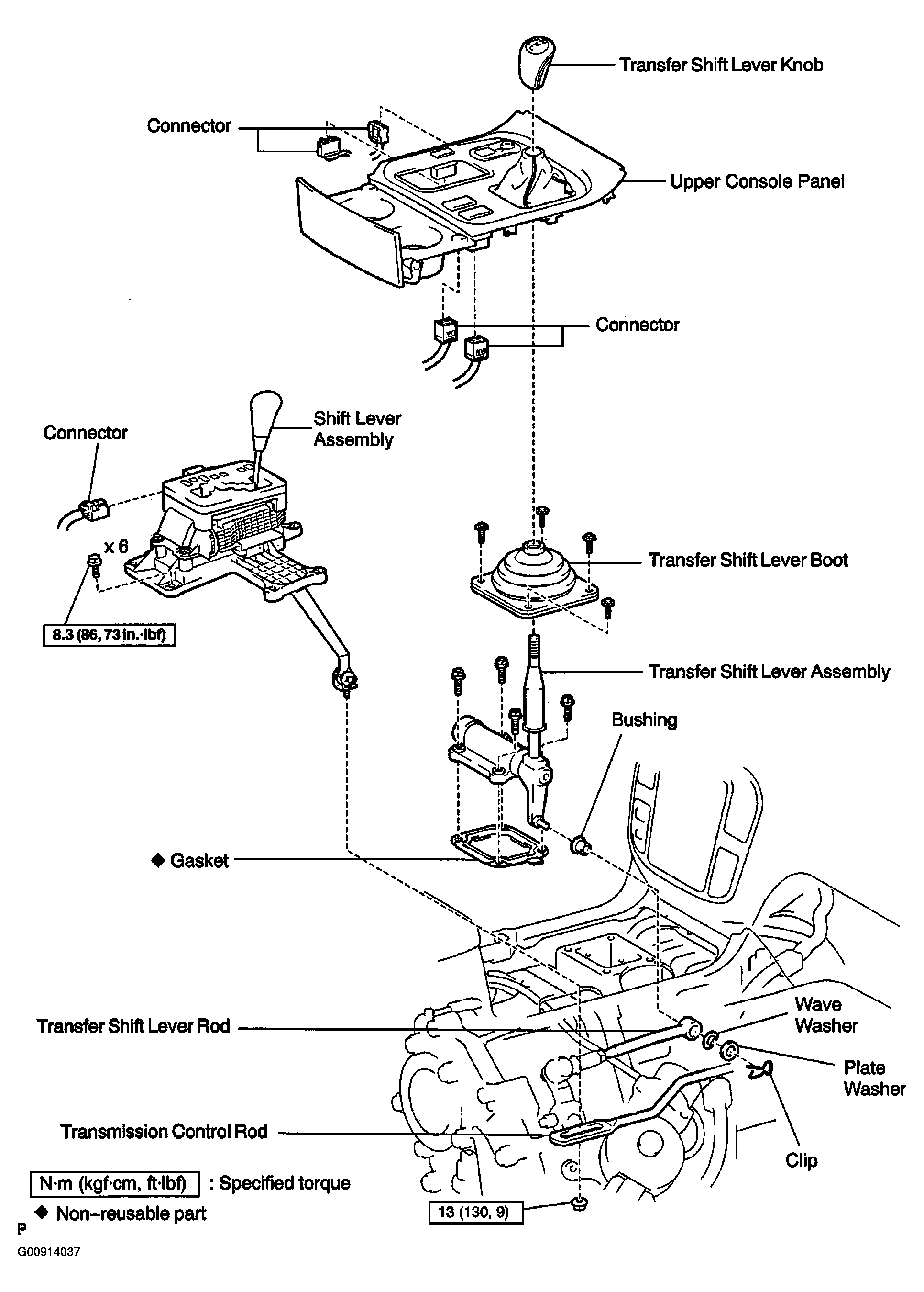
Fig 5: Identifying Engine Unit Components (5 Of 7)
G00914037Courtesy of © TOYOTA, LICENSE AGREEMENT TMS1002
Fig 6: Identifying Engine Unit Components (6 Of 7)
G00914038Courtesy of © TOYOTA, LICENSE AGREEMENT TMS1002
Fig 7: Identifying Engine Unit Components (7 Of 7)
G00914039Courtesy of © TOYOTA, LICENSE AGREEMENT TMS1002