lemon-mirror:
Home >> Lexus >> 2005 >> GS 430 >> Repair and Diagnosis >> Electrical >> Gauges >> Combination Meter >> Circuit

Combination Meter: Circuit

Fig 1: Identifying Combination Meter Wiring Circuit Connectors
G02940390Courtesy of © TOYOTA, LICENSE AGREEMENT TMS1002
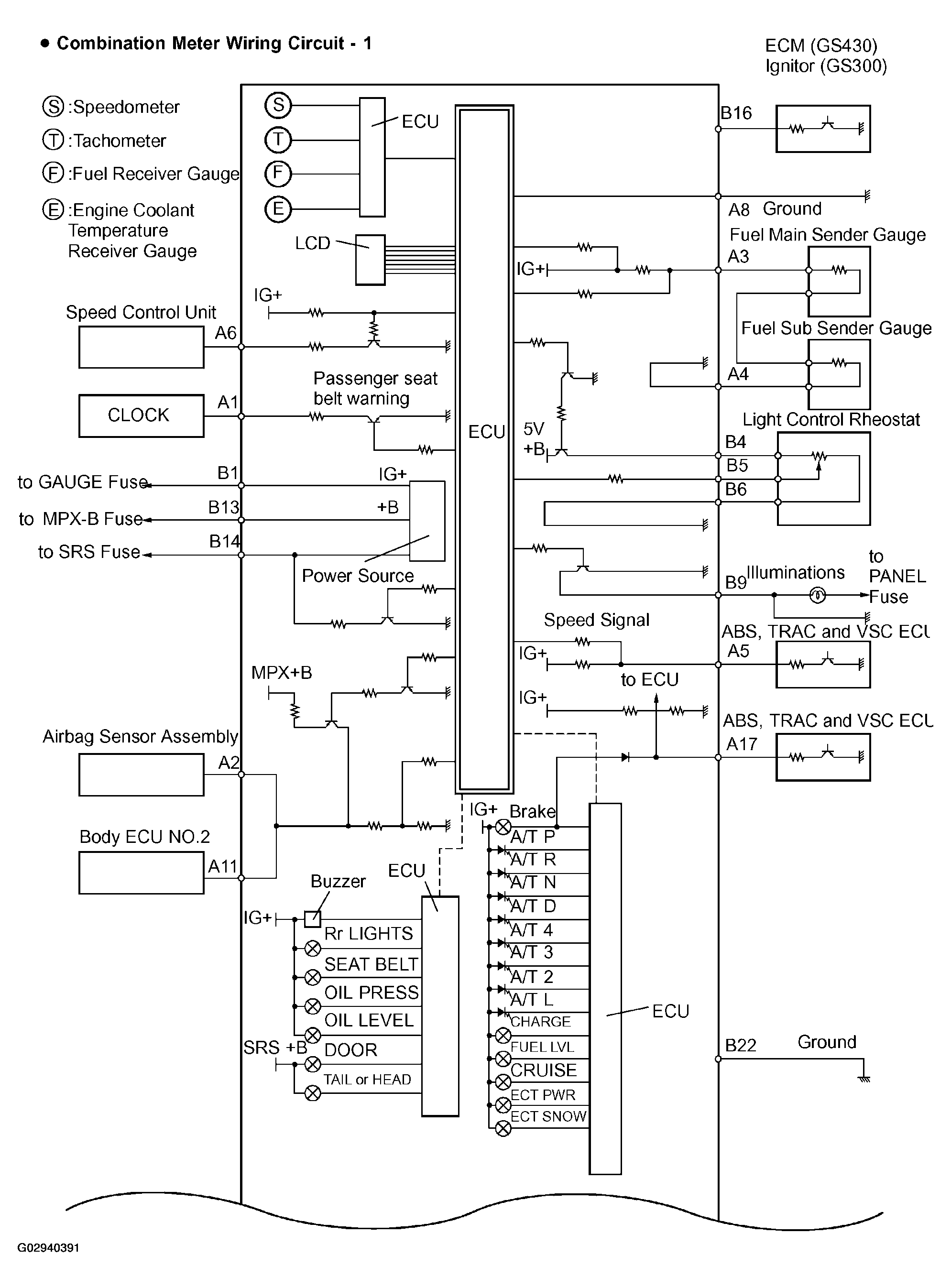
Fig 2: Combination Meter Wiring Circuit Diagram (1 Of 2)
G02940391Courtesy of © TOYOTA, LICENSE AGREEMENT TMS1002
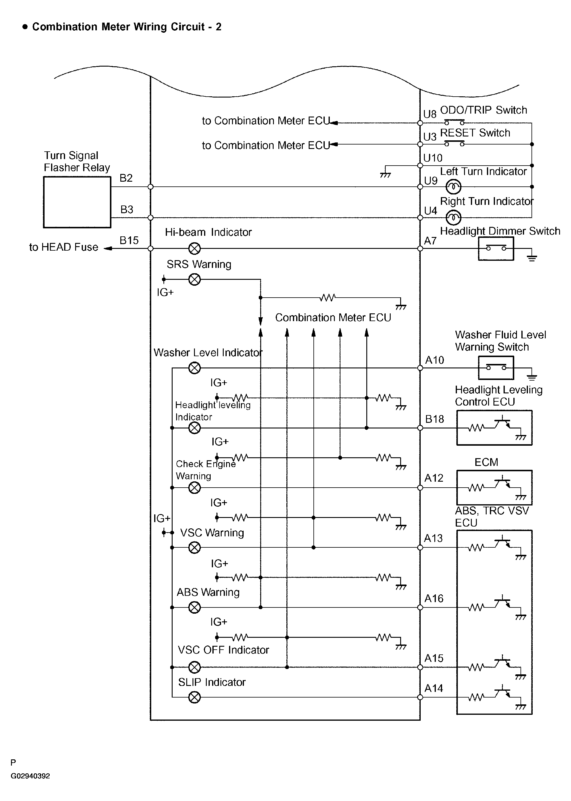
Fig 3: Combination Meter Wiring Circuit Diagram (2 Of 2)
G02940392Courtesy of © TOYOTA, LICENSE AGREEMENT TMS1002
Fig 4: Combination Meter Connector Terminal Identification Table
G02940393Courtesy of © TOYOTA, LICENSE AGREEMENT TMS1002
Fig 5: Identifying Combination Meter ECU Plate Connector
G02940394Courtesy of © TOYOTA, LICENSE AGREEMENT TMS1002
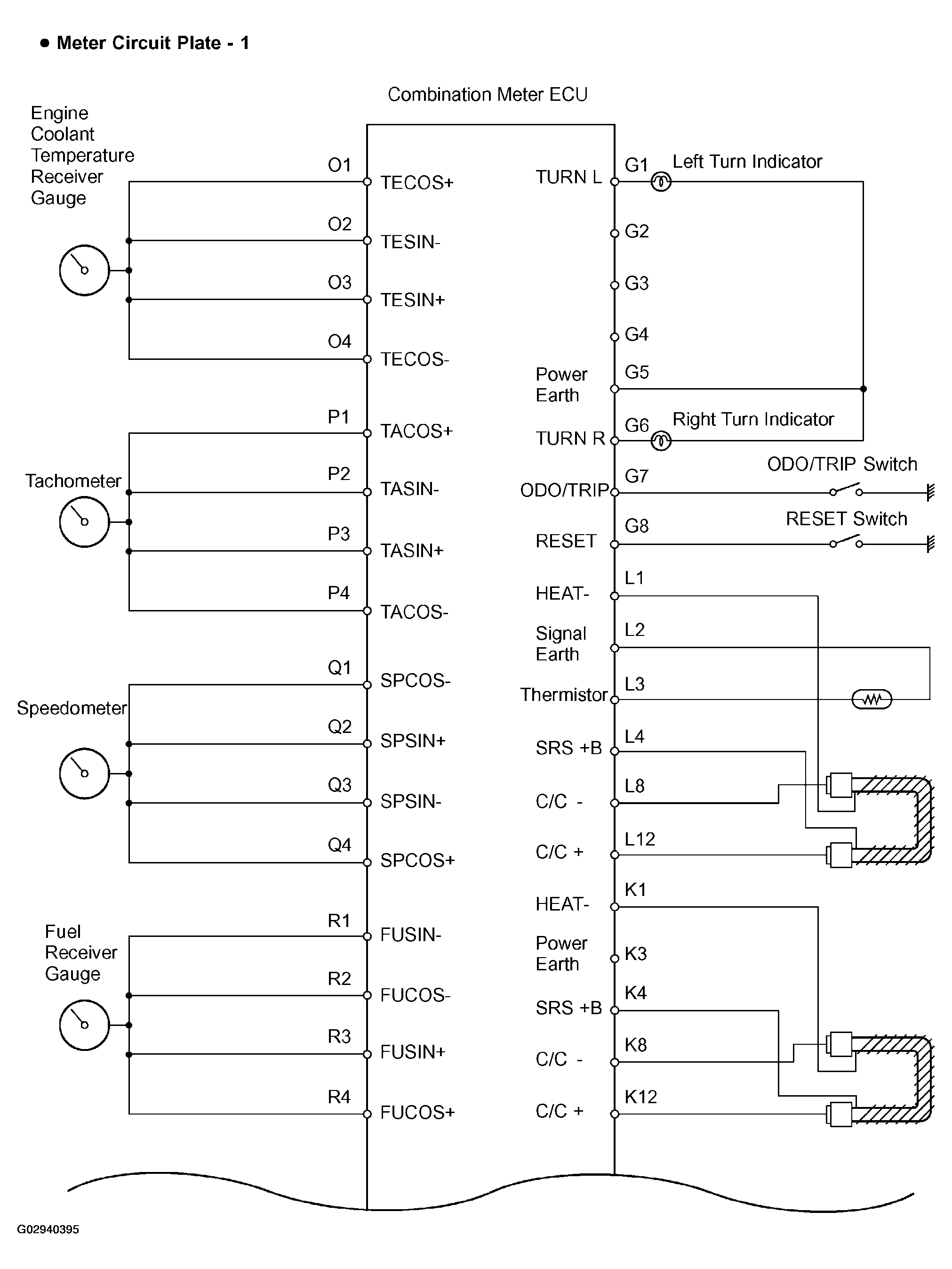
Fig 6: Identifying Meter Circuit Plate - 1
G02940395Courtesy of © TOYOTA, LICENSE AGREEMENT TMS1002
Fig 7: Identifying Meter Circuit Plate - 2
G02940396Courtesy of © TOYOTA, LICENSE AGREEMENT TMS1002