lemon-mirror:
Home >> Lexus >> 2005 >> IS 300 Base, Automatic >> Repair and Diagnosis >> Engine Performance >> System >> Engine - Diagnostics >> IACV Control Circuit >> Wiring Diagram

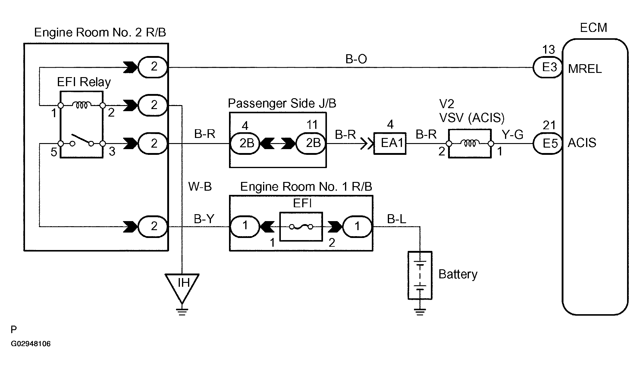
IACV Control Circuit: Wiring Diagram

Fig 1: Wiring Diagram - IACV Control Circuit
G02948106Courtesy of © TOYOTA, LICENSE AGREEMENT TMS1002